LEMON Manuals: Even more car manuals for everyone: 1960-2025
Home >> Honda >> 2021 >> Pilot EX, AWD >> Repair and Diagnosis (Single Page) >> Accessories & Equipment >> Anti-Theft Systems >> Security System Keyless Entry System - Testing & Troubleshooting (1 Of 2) >> Circuit Diagram >> Keyless Access System (2016 2017 2018)
April 5, 2026: LEMON Manuals is launched! Read the announcement.

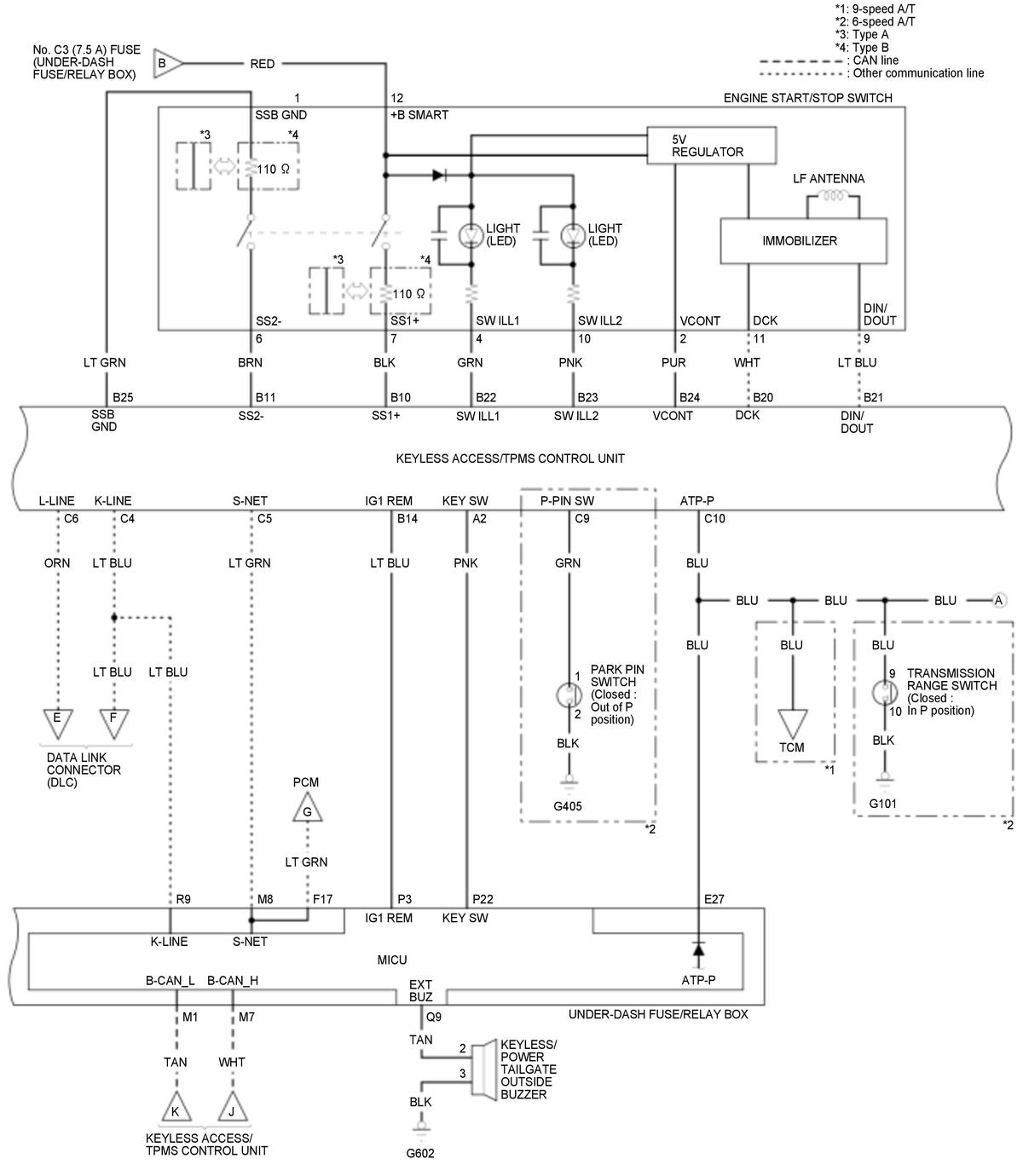
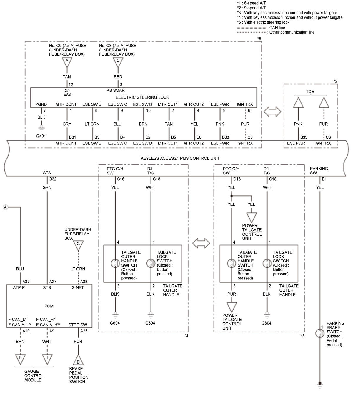
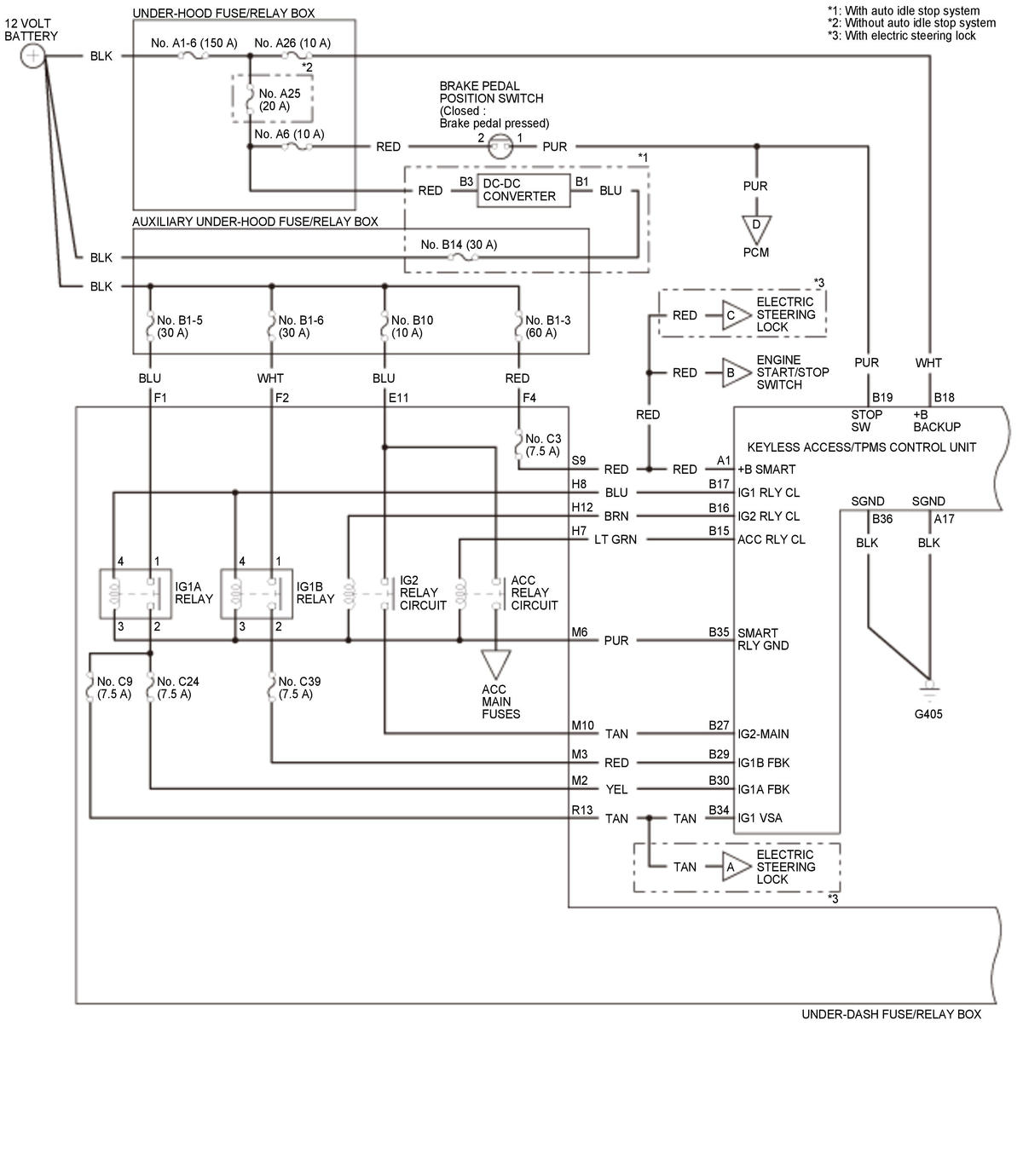
Keyless Access System (2016 2017 2018)

GHH312289Courtesy of HONDA, U.S.A., INC.
GHH312290Courtesy of HONDA, U.S.A., INC.
GHH312291Courtesy of HONDA, U.S.A., INC.
GHH312292Courtesy of HONDA, U.S.A., INC.
GHH312293Courtesy of HONDA, U.S.A., INC.