LEMON Manuals: Even more car manuals for everyone: 1960-2025
Home >> Hummer >> 2003 >> H2 >> Repair and Diagnosis >> External Pages >> Different car >> Section 356 (Lighting Systems) >> Schematic and Routing Diagrams >> Exterior Lights Schematics (Turn Signal/Hazard Flasher Module Inputs)
April 5, 2026: LEMON Manuals is launched! Read the announcement.

Exterior Lights Schematics (Turn Signal/Hazard Flasher Module Inputs)

WARNING: This page is about a different car, the 2003 Oldsmobile Aurora. However, it is still accessible from the selected car via links, so may be relevant.
Fig 1: Exterior Lights Circuit Diagram (Turn Signal/Hazard Flasher Module Inputs)
G01506769Courtesy of GENERAL MOTORS CORP.
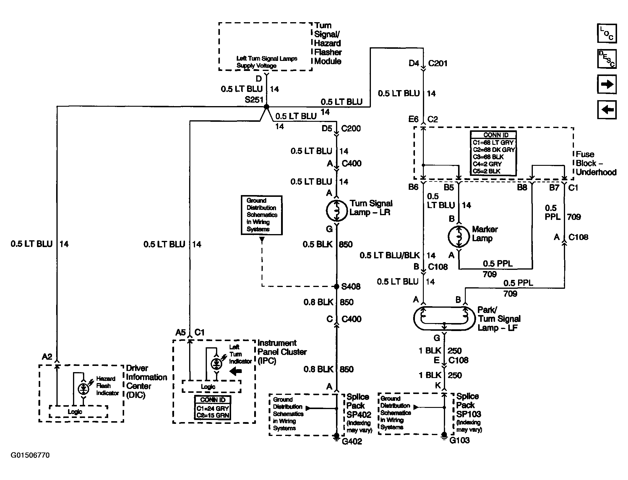
Fig 2: Exterior Lights Circuit Diagram (Turn Signal/Hazard Lamps-Left)
G01506770Courtesy of GENERAL MOTORS CORP.
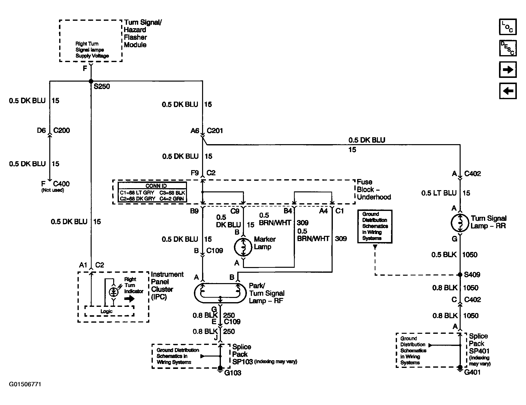
Fig 3: Exterior Lights Circuit Diagram (RH Turn Signal/Hazard Lamps)
G01506771Courtesy of GENERAL MOTORS CORP.
Fig 4: Exterior Lights Circuit Diagram (Tail/Stop Lamps)
G01506772Courtesy of GENERAL MOTORS CORP.
Fig 5: Exterior Lights Circuit Diagram (Park/Tail/Stop Lamps-Left)
G01506773Courtesy of GENERAL MOTORS CORP.
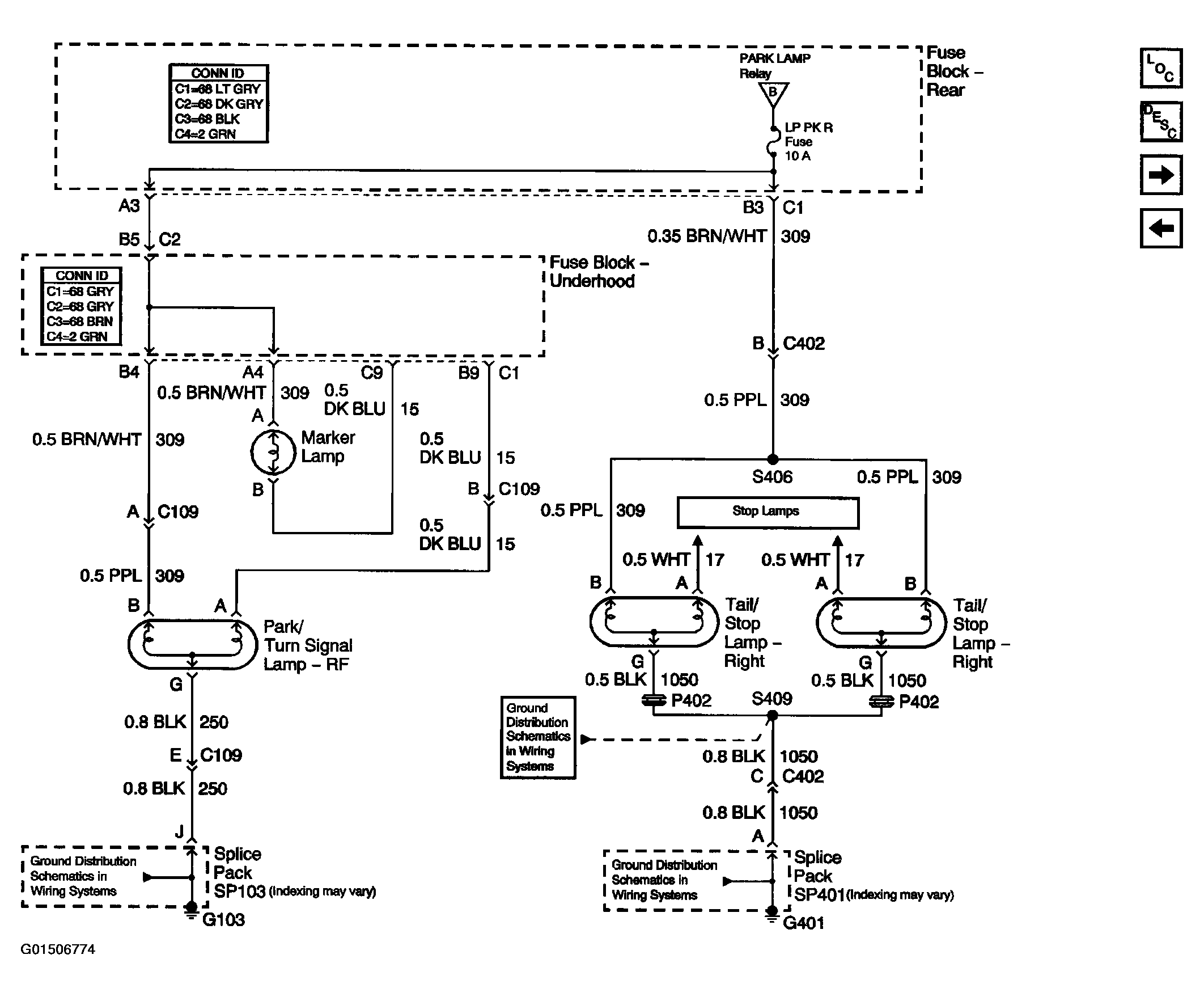
Fig 6: Exterior Lights Circuit Diagram (Park/Tail/Stop Lamps-Right)
G01506774Courtesy of GENERAL MOTORS CORP.
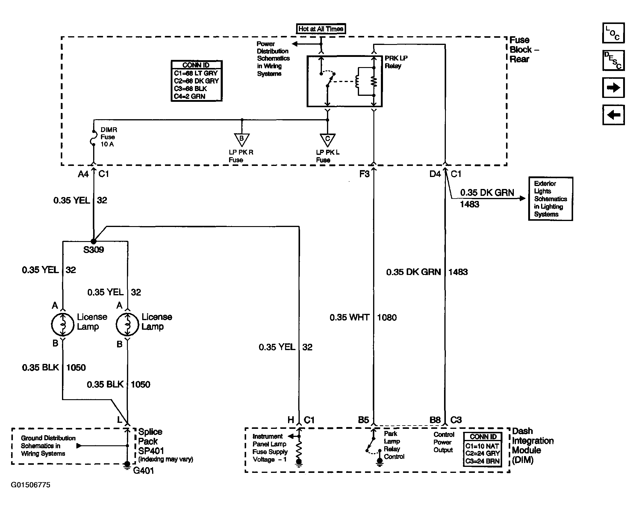
Fig 7: Exterior Lights Circuit Diagram (License Plate Lamps, Park Lamp Relay)
G01506775Courtesy of GENERAL MOTORS CORP.
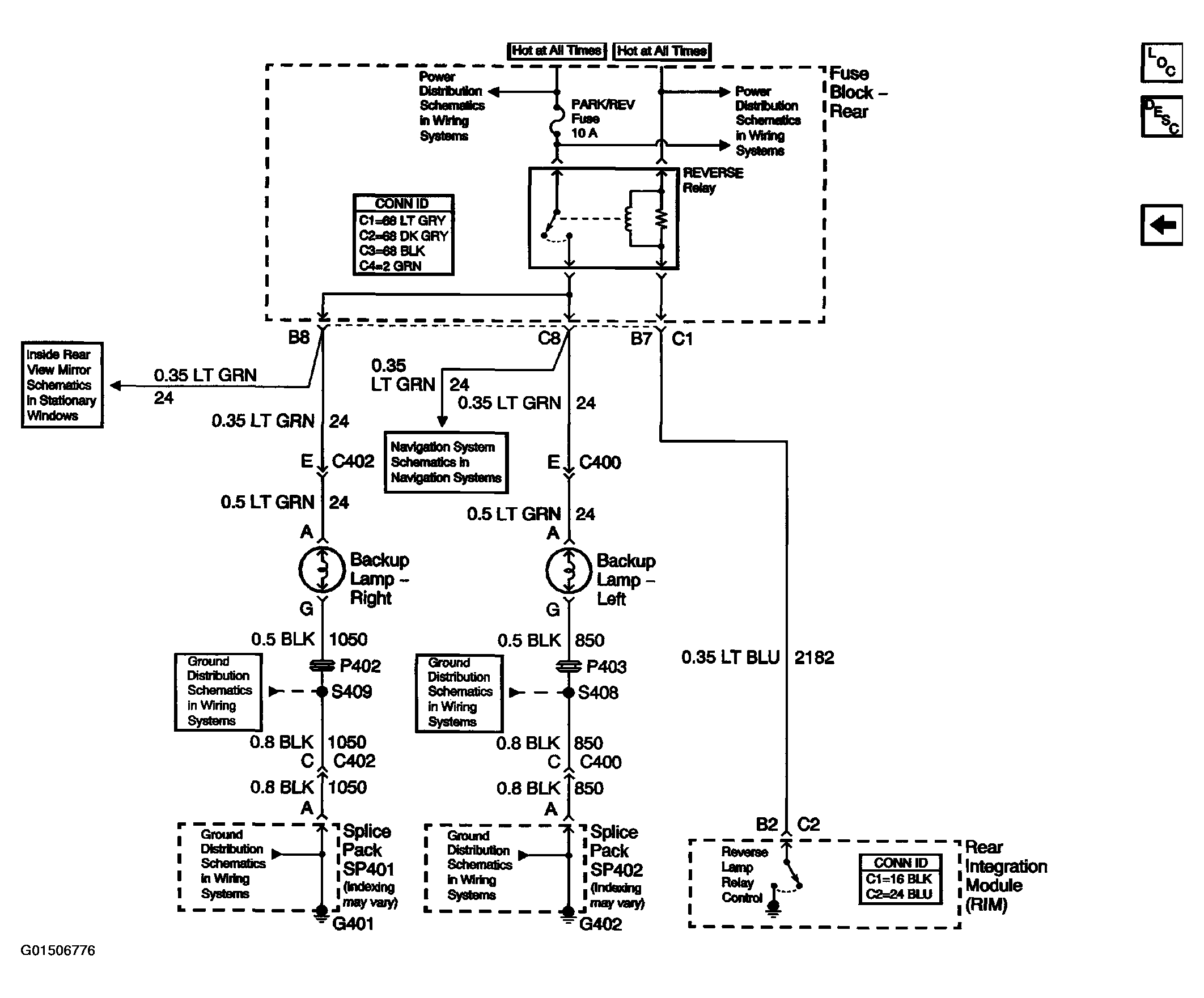
Fig 8: Exterior Lights Circuit Diagram (Backup Lamps)
G01506776Courtesy of GENERAL MOTORS CORP.