LEMON Manuals: Even more car manuals for everyone: 1960-2025
Home >> Hummer >> 2004 >> H2 V8-6.0L >> Repair and Diagnosis >> Starting and Charging >> Charging System >> Alternator >> Service and Repair >> Generator Bracket Replacement
April 5, 2026: LEMON Manuals is launched! Read the announcement.

Generator Bracket Replacement

GENERATOR BRACKET REPLACEMENT

REMOVAL PROCEDURE




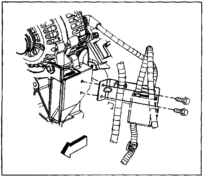
1. Remove the battery cable junction block bracket bolts.




2. Remove the generator.
3. Remove the power steering pump.
4. Remove the generator bracket bolts.
5. Remove the generator bracket.

INSTALLATION PROCEDURE




1. Install the generator bracket.

NOTE: Refer to Fastener Notice in Service Precautions.

2. Install the generator bracket bolts.

Tighten
Tighten the bolts to 50 N.m (37 lb ft).

3. Install the power steering pump.
4. Install the generator.




5. Install the battery cable junction block bracket bolts.

Tighten
Tighten the bolts to 9 N.m (80 lb in).