LEMON Manuals: Even more car manuals for everyone: 1960-2025
Home >> Hummer >> 2005 >> H2 4D Utility Pickup >> Repair and Diagnosis >> Engine Performance >> System >> Engine Controls - Introduction >> Repair Instructions >> Fuel Rail Assembly Replacement >> Installation Procedure
April 5, 2026: LEMON Manuals is launched! Read the announcement.

Installation Procedure

    Fig 1: View Of Fuel Injector, Clip & O-Rings
    GM351185Courtesy of GENERAL MOTORS CORP.
  1. Lubricate NEW fuel injector lower O-ring seals (4) with clean engine oil.
  2. Install the NEW O-ring seals (4) onto each injector, if necessary.
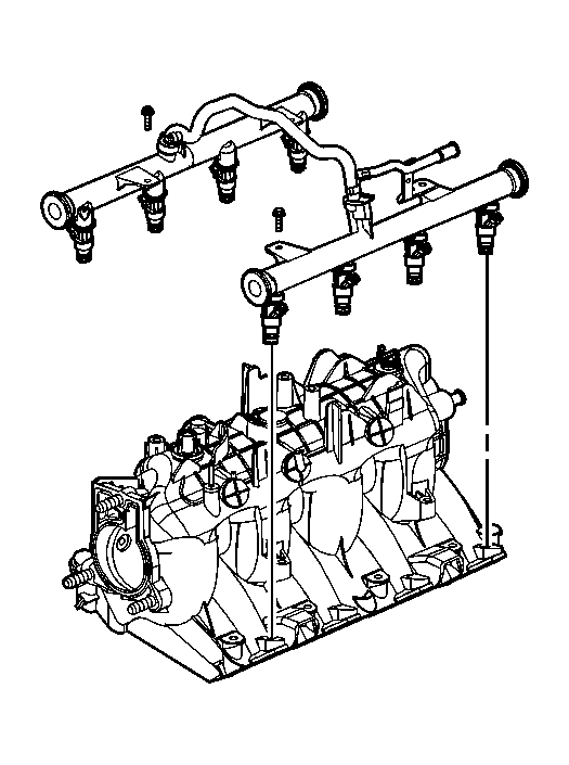
  3. Fig 2: View Of Fuel Rail W/Injectors
    GM1201536Courtesy of GENERAL MOTORS CORP.
  4. Install the fuel rail.
  5. Apply a 5 mm (0.2 in) band of threadlock GM P/N 12345382 (Canadian P/N 10953489), or equivalent to the threads of the fuel rail bolts.
  6. NOTE: Refer to Fastener Notice in Cautions and Notices.
  7. Install the fuel rail bolts.

    Tighten:  Tighten the bolts to 10 N.m (89 lb in).

  8. Fig 3: Identifying Fuel Feed & EVAP Pipes
    GM1238585Courtesy of GENERAL MOTORS CORP.
  9. Connect the fuel feed pipe (1) to the fuel rail. Refer to Quick Connect Fitting(s) Service (Metal Collar) .
  10. Fig 4: View Of PCV Hose
    GM1201537Courtesy of GENERAL MOTORS CORP.
  11. Install the PCV hose.
  12. Fig 5: CPA Retainer & Tab
    GM820977Courtesy of GENERAL MOTORS CORP.
  13. Perform the following steps in order to connect the fuel injector electrical connectors:
    1. Install the connectors to their corresponding injectors to ensure correct reassembly.
    2. Connect the fuel injector electrical connector.
    3. Push the CPA retainer (2) on the connector in one click.
    4. Repeat the steps for each injector electrical connector.
  14. Fig 6: View Of Main Ignition Coil Wire Harness Connector & Clips
    GM757686Courtesy of GENERAL MOTORS CORP.
  15. Position the engine wire harness.
  16. Connect the following electrical connectors to the left side of the engine:
    • Main coil (2)
    • Fuel injectors
  17. Install the harness clips to the fuel rail (1).
  18. Install the CPA retainer.
  19. Fig 7: View Of CPA Retainer, Harness Clips, ETC, Coil Harness & Fuel Injectors Electrical Connectors
    GM1235686Courtesy of GENERAL MOTORS CORP.
  20. Connect the following electrical connectors to the right side of the engine:
    • Main coil (4)
    • Fuel injectors (3)
  21. Install the CPA retainer (5).
  22. Install the harness clips to the fuel rail (1).
  23. Connect the ETC electrical connector (2). Perform the following:
    1. Connect the connector.
    2. Engage the gray retainer.
  24. Fig 8: View Of MAP Sensor & Knock Sensor Electrical Connectors
    GM679510Courtesy of GENERAL MOTORS CORP.
  25. Connect the following electrical connectors:
    • MAP sensor (1)
    • Knock sensor (2)
  26. Install the knock sensor harness connector to the intake manifold.
  27. Fig 9: View Of EVAP Canister Purge Solenoid & Generator Electrical Connectors & Bracket Nut
    GM1235683Courtesy of GENERAL MOTORS CORP.
  28. Connect the EVAP purge solenoid electrical connector (1).
  29. Connect the generator electrical connector (3).
  30. Install the wire harness bracket nut (2).

    Tighten:  Tighten the nut to 5 N.m (44 lb in).

  31. Tighten the fuel fill cap.
  32. Connect the negative battery cable. Refer to Battery Negative Cable Disconnect/Connect Procedure in Engine Electrical.
  33. Use the following procedure in order to inspect for leaks:
    1. Turn the ignition ON, with the engine OFF, for 2 seconds.
    2. Turn the ignition OFF for 10 seconds.
    3. Turn the ignition ON, with the engine OFF.
    4. Inspect for fuel leaks.