LEMON Manuals: Even more car manuals for everyone: 1960-2025
Home >> Hummer >> 2008 >> H3 Base, Standard >> Repair and Diagnosis (Single Page) >> External Pages >> Different car >> Section 168 (Cellular System, Entertainment System, And Navigation System) >> Schematic and Routing Diagrams >> OnStar Schematics
April 5, 2026: LEMON Manuals is launched! Read the announcement.

OnStar Schematics

WARNING: This page is about a different car, the 2008 Cadillac STS. However, it is still accessible from the selected car via links, so may be relevant.
Fig 1: UE1 Schematic
GM1903074Courtesy of GENERAL MOTORS CORP.
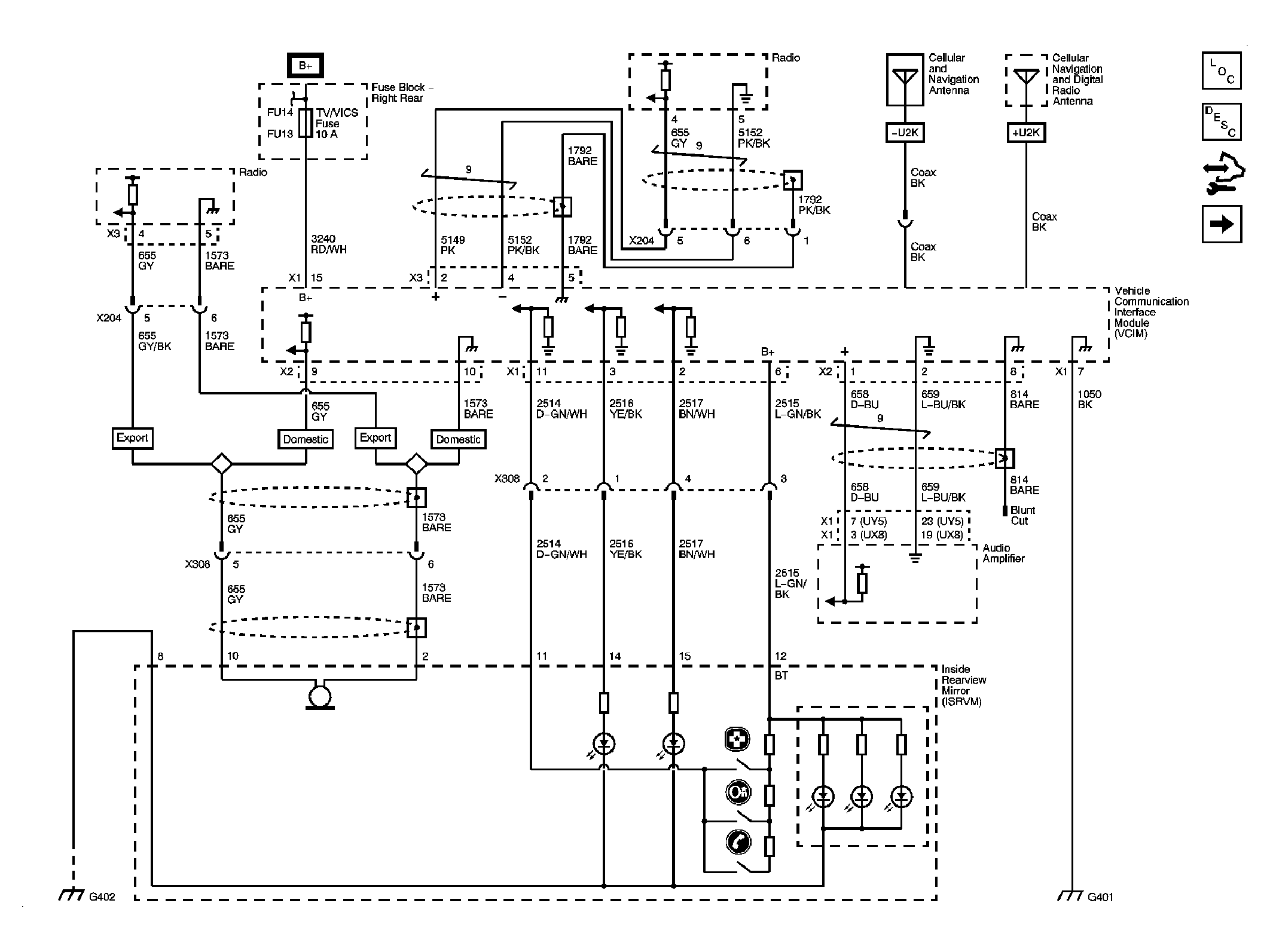
Fig 2: VCIM, DLC Schematic
GM1903076Courtesy of GENERAL MOTORS CORP.