LEMON Manuals: Even more car manuals for everyone: 1960-2025
Home >> Hummer >> 2009 >> H3 L5-3.7L >> Repair and Diagnosis >> Maintenance >> Fluids >> Fluid - Transfer Case >> Service and Repair
April 5, 2026: LEMON Manuals is launched! Read the announcement.

Fluid - Transfer Case: Service and Repair




Transfer Case Fluid Replacement

1. Raise the vehicle. Refer to Lifting and Jacking the Vehicle (Service and Repair).




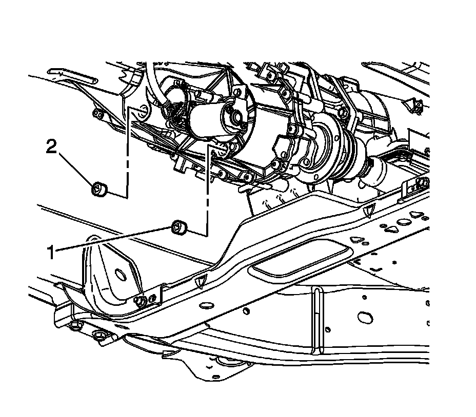
2. Remove the transfer case drain plug (1) and drain the fluid.
3. Apply pipe sealant GM P/N 12346004 (Canadian P/N 10953480) to the threads of the transfer case drain plug.

Caution: Refer to Fastener Caution (Fastener Caution).

4. Install the transfer case drain plug (1).

Tighten the transfer case drain plug to 25 Nm (18 lb ft).

5. Remove the transfer case fill plug (2).
6. Fill the transfer case to the bottom of the fill hole with manual transmission and transfer case fluid. Refer to Adhesives, Fluids, Lubricants, and Sealers (Fluid Type Specifications).
7. Apply pipe sealant G/M P/N 12346004 (Canadian P/N 10953480) to the threads of the transfer case plug.
8. Install the transfer case fill plug.

Tighten the transfer case fill plug to 25 Nm (18 lb ft).

9. Lower the vehicle.