LEMON Manuals: Even more car manuals for everyone: 1960-2025
Home >> Hummer >> 2010 >> H3 Alpha >> Repair and Diagnosis >> External Pages >> Different car >> Section 1913 (Cellular System, Entertainment System, And Navigation System) >> Schematic Wiring Diagrams >> OnStar Wiring Schematics >> Communication Signals and Control Wiring Schematics
April 5, 2026: LEMON Manuals is launched! Read the announcement.

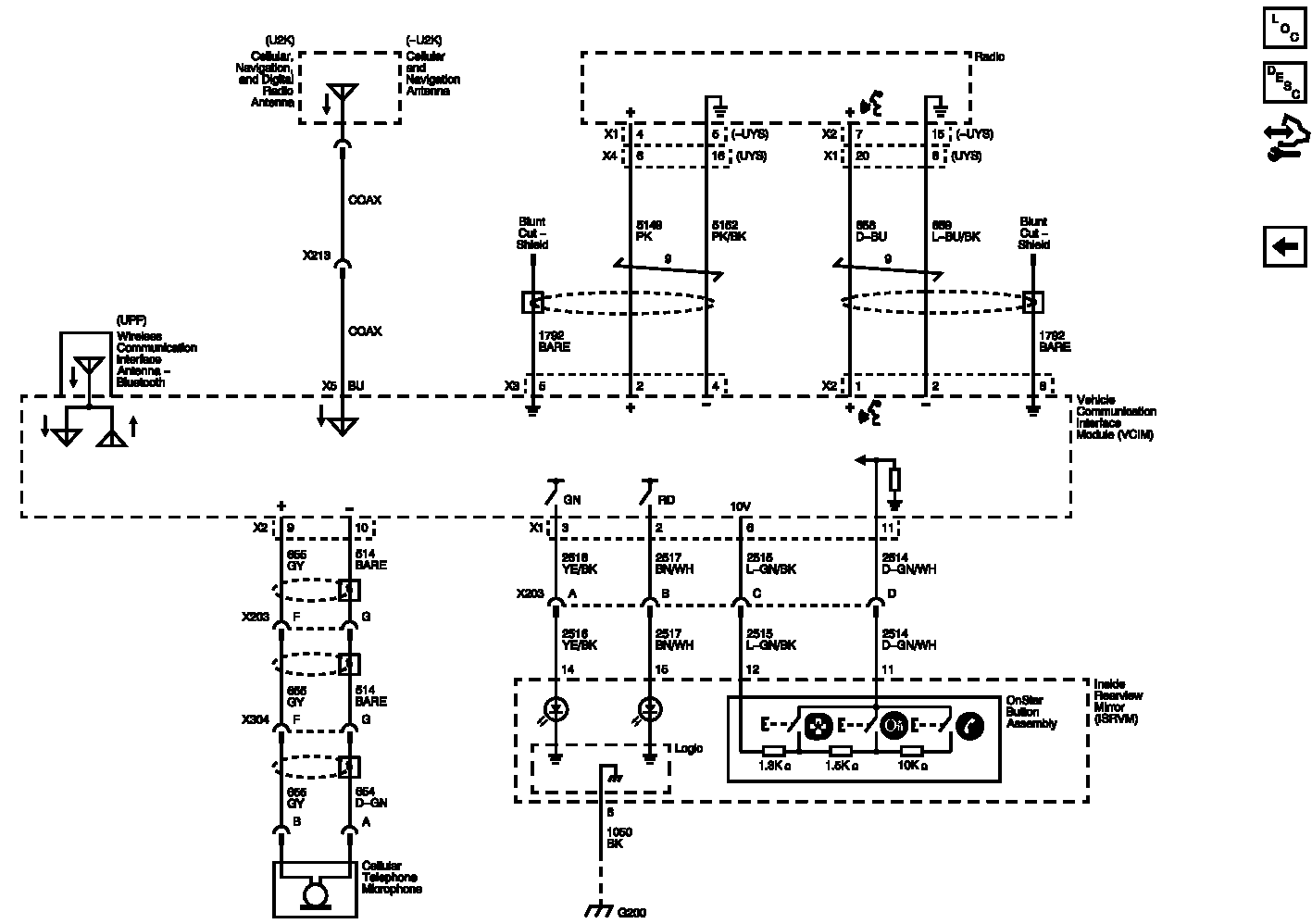
Communication Signals and Control Wiring Schematics

WARNING: This page does not describe the selected car, but rather 8 other vehicles, including the 2012 GMC Yukon XL, 2012 GMC Yukon, 2012 Chevrolet Tahoe, 2012 Chevrolet Suburban, and 2012 Chevrolet Avalanche. However, it is still accessible from the selected car via links, so may be relevant.
Fig 1: Communication Signals and Control Wiring Schematics
GM2643471Courtesy of GENERAL MOTORS COMPANY