LEMON Manuals: Even more car manuals for everyone: 1960-2025
Home >> Hyundai >> 2000 >> Tiburon L4-2.0L >> Repair and Diagnosis >> Diagrams >> Electrical Diagrams >> Steering Control Module
April 5, 2026: LEMON Manuals is launched! Read the announcement.

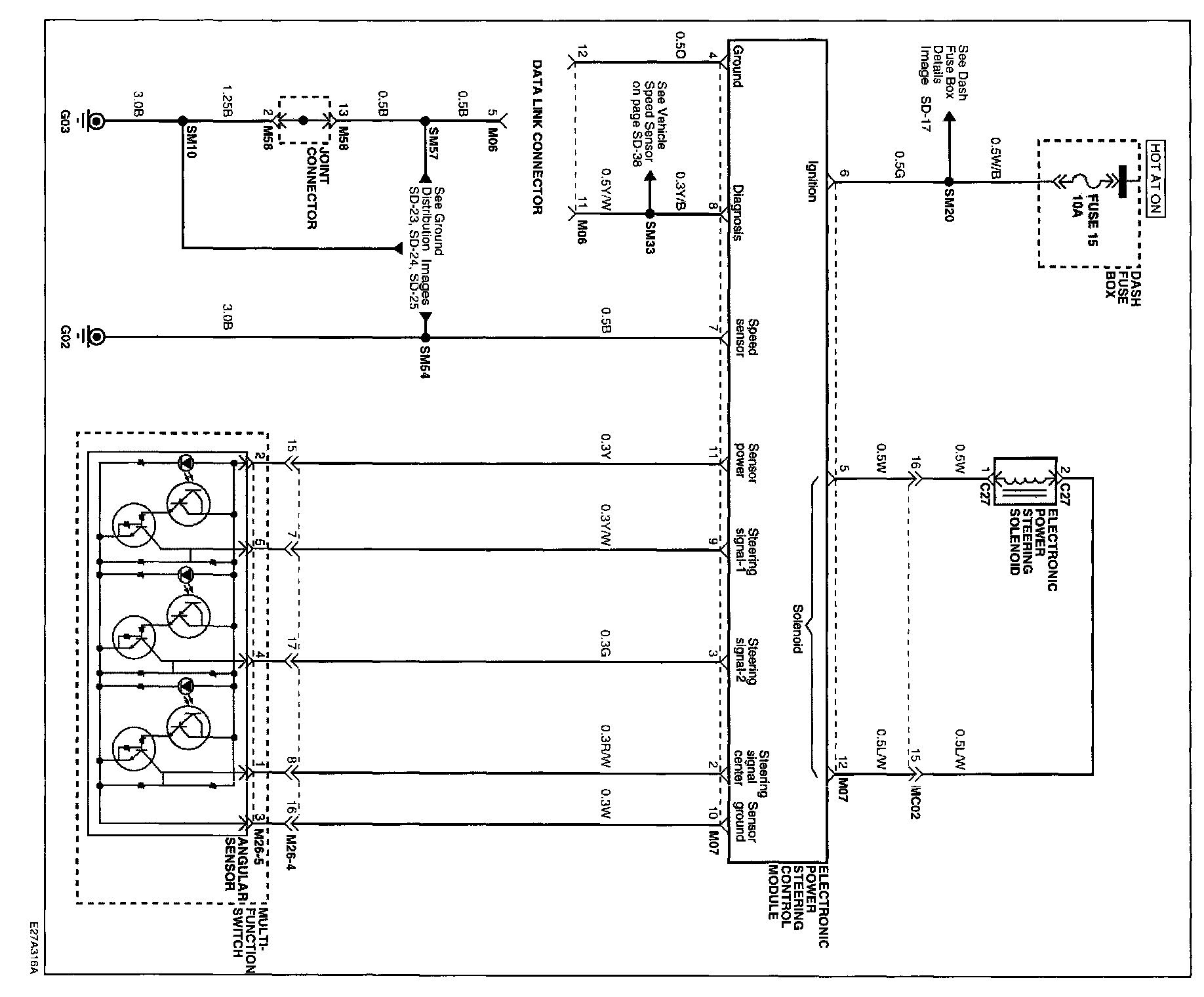
Steering Control Module

Image SD - 70:




Schematic Diagrams