LEMON Manuals: Even more car manuals for everyone: 1960-2025
Home >> Hyundai >> 2001 >> Santa Fe L4-2.4L >> Repair and Diagnosis >> Powertrain Management >> Computers and Control Systems >> Body Control Module >> Diagrams >> Electrical Diagrams
April 5, 2026: LEMON Manuals is launched! Read the announcement.

Electrical Diagrams

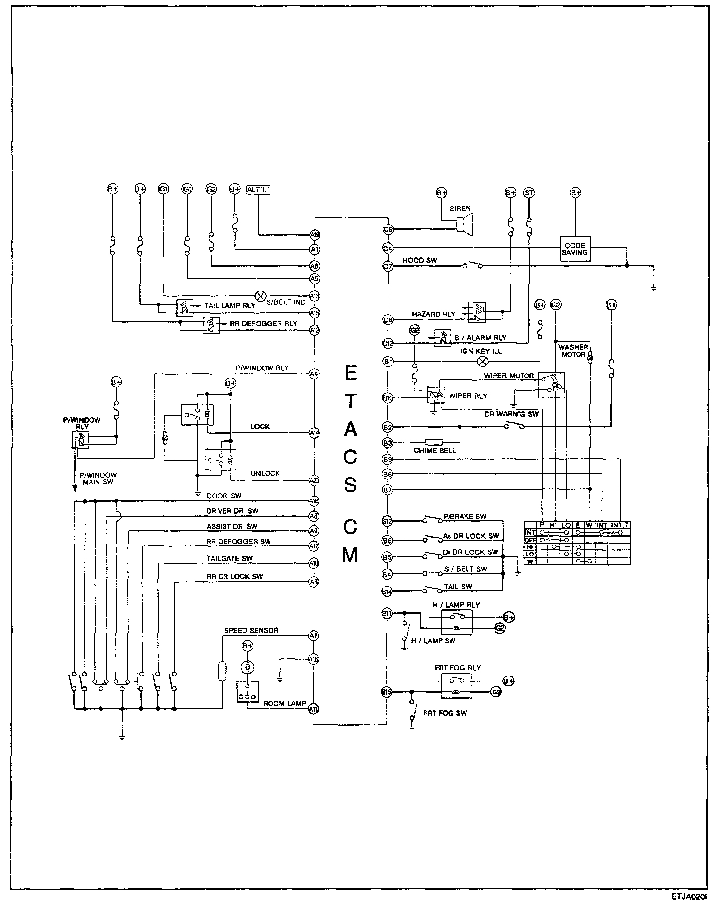
Image SD-114 - ETACS (Electronic Time & Alarm Control System) (1):



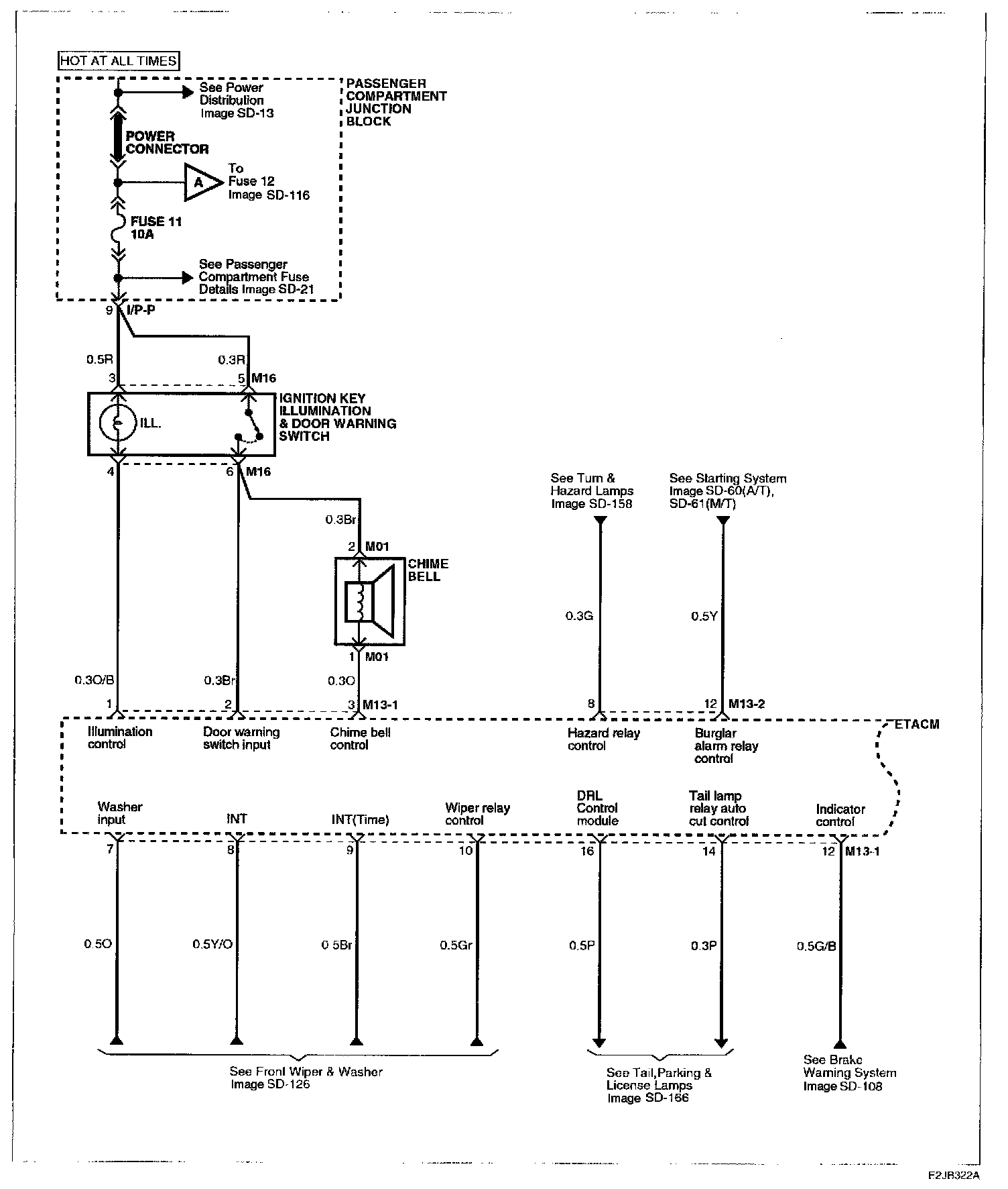
Image SD-115 - ETACS (Electronic Time & Alarm Control System) (2):



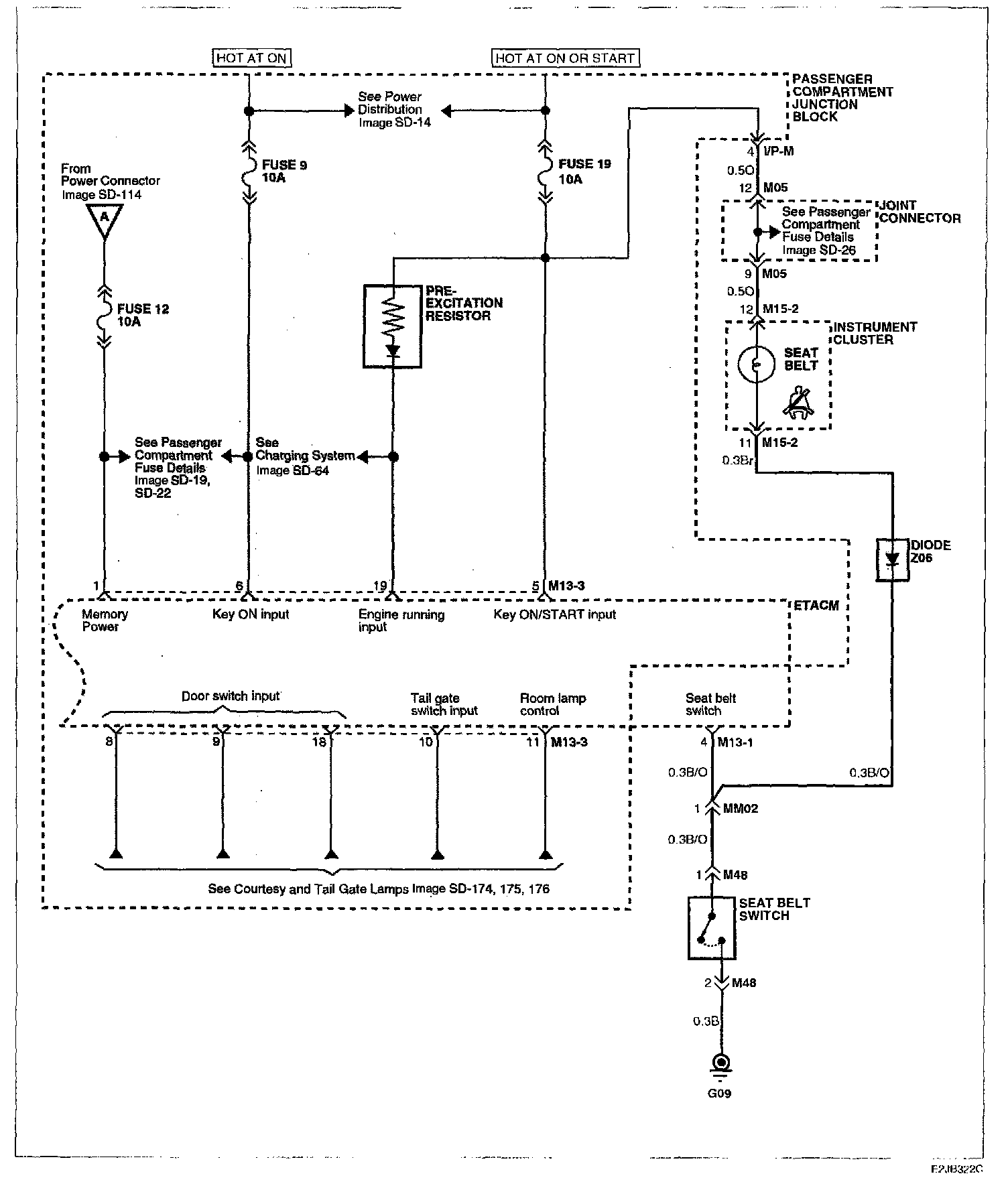
Image SD-116 - ETACS (Electronic Time & Alarm Control System) (3):



Circuit Diagram: