LEMON Manuals: Even more car manuals for everyone: 1960-2025
Home >> Hyundai >> 2004 >> Santa Fe L4-2.4L >> Repair and Diagnosis >> Diagrams >> Exploded Views >> Compressor HVAC
April 5, 2026: LEMON Manuals is launched! Read the announcement.

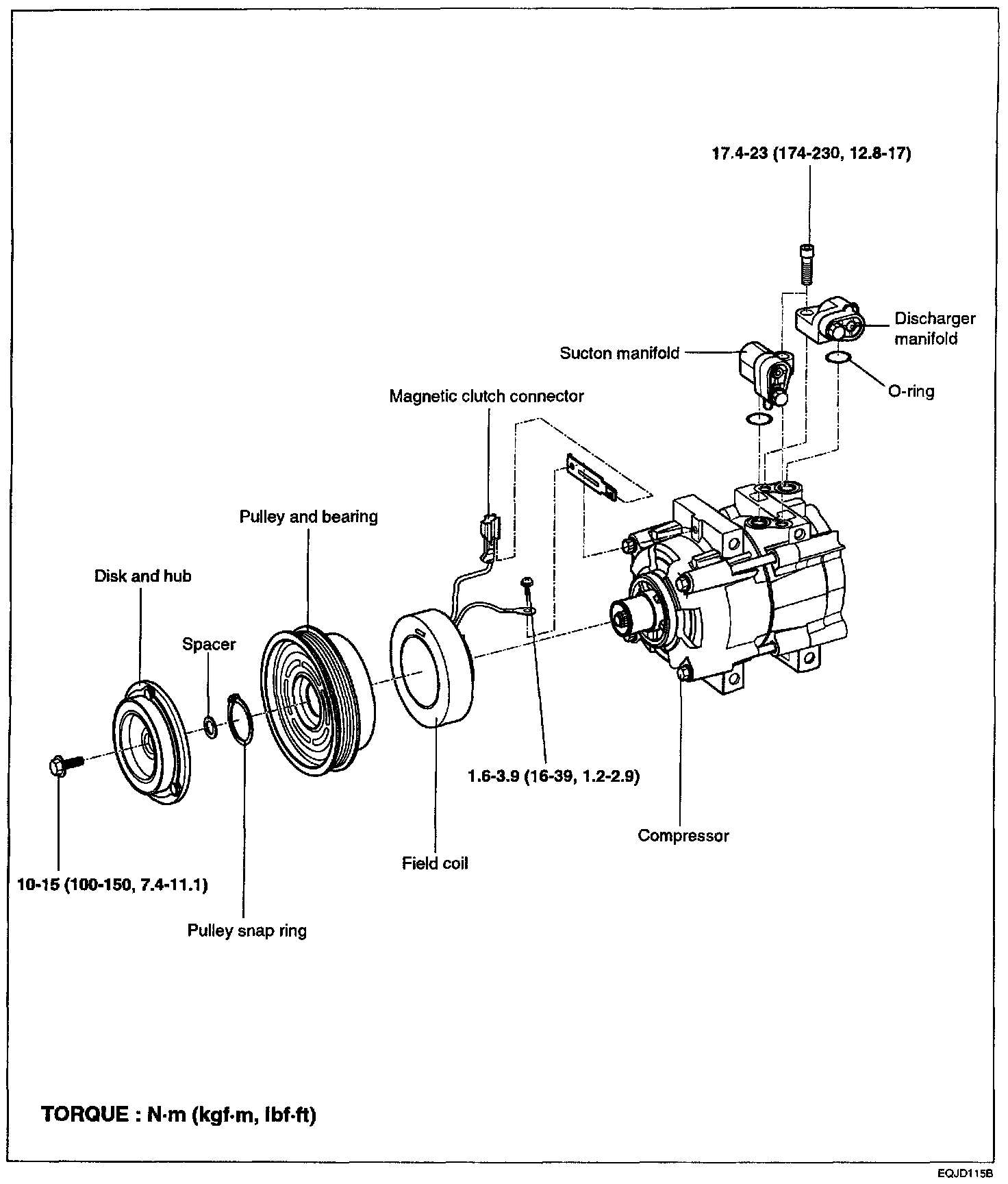
Compressor HVAC

Components: