LEMON Manuals: Even more car manuals for everyone: 1960-2025
Home >> Hyundai >> 2004 >> Santa Fe LX, AWD >> Repair and Diagnosis >> Engine Performance >> Engine Control Systems >> Fuel System (3.5L) >> MFI Control System >> Throttle Position (TP) Sensor >> Circuit Diagram
April 5, 2026: LEMON Manuals is launched! Read the announcement.

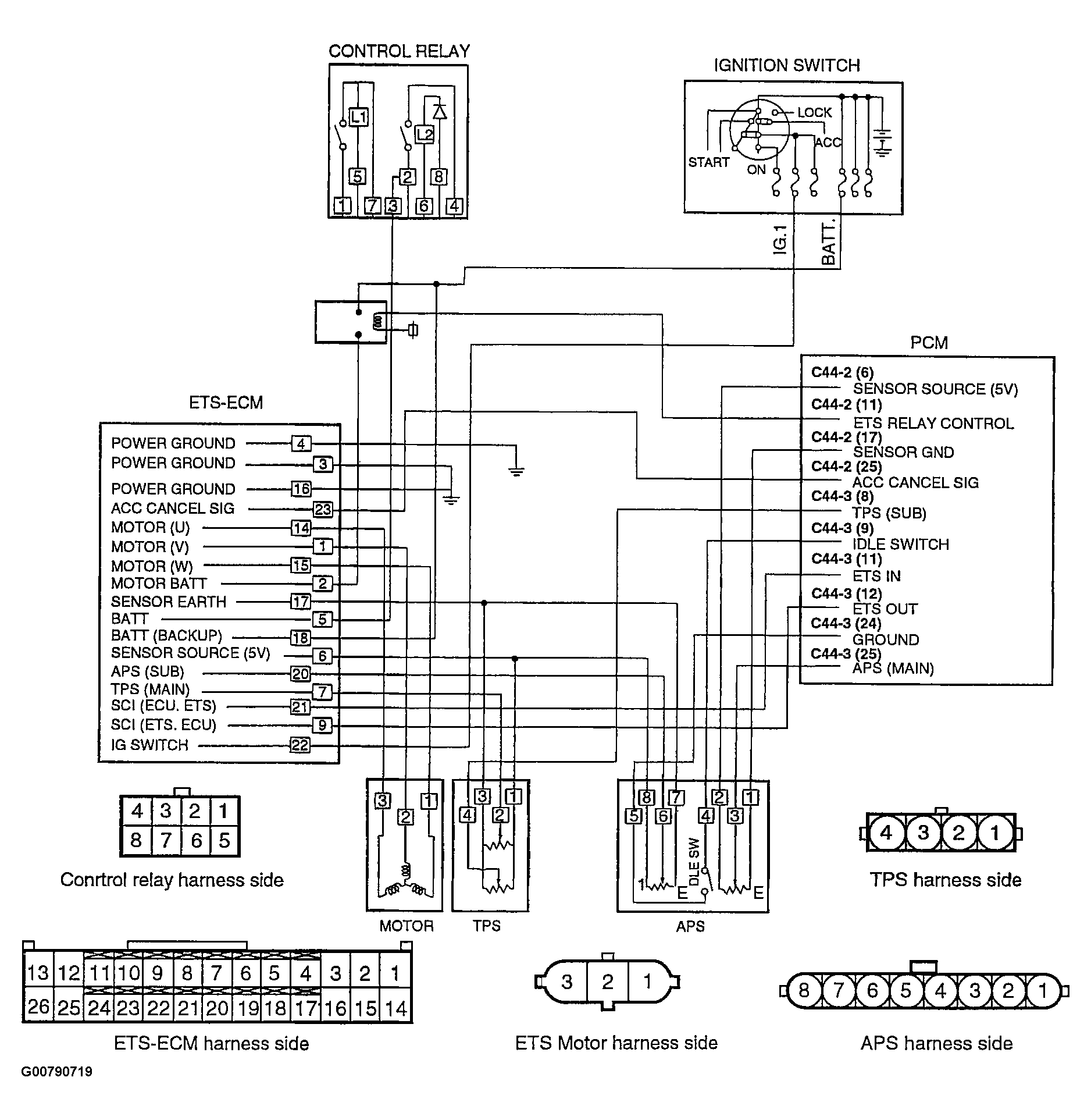
Circuit Diagram

Fig 1: Throttle Position Sensor Circuit Diagram
G00790719Courtesy of HYUNDAI MOTOR CO.