LEMON Manuals: Even more car manuals for everyone: 1960-2025
Home >> Hyundai >> 2009 >> Entourage V6-3.8L >> Repair and Diagnosis >> Powertrain Management >> Computers and Control Systems >> Engine Control Module >> Diagrams >> Electrical Diagrams
April 5, 2026: LEMON Manuals is launched! Read the announcement.

Electrical Diagrams





Powertrain Control Module (PCM)

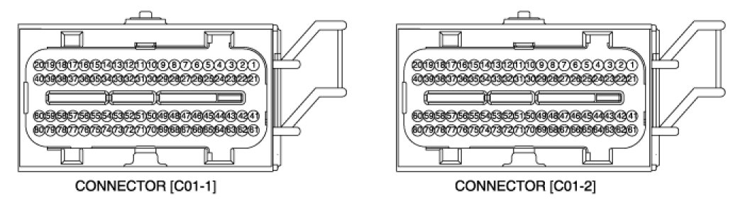
1. PCM HARNESS CONNECTOR




2. PCM TERMINAL FUNCTION
Connector [C01-1]









Connector [C01-2]









3. PCM TERMINAL INPUT/OUTPUT SIGNAL
Connector [C01-1]













Connector [C01-2]


















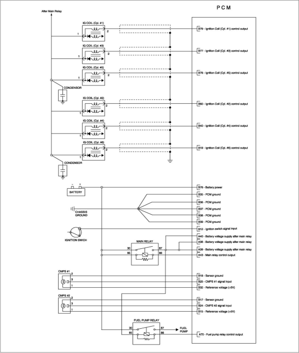
Circuit Diagram