LEMON Manuals: Even more car manuals for everyone: 1960-2025
Home >> Hyundai >> 2011 >> Genesis 3.8 >> Repair and Diagnosis >> Electrical >> Starter >> Button Engine Start System >> PDM (Power Distribution Module) >> System circuit diagram
April 5, 2026: LEMON Manuals is launched! Read the announcement.

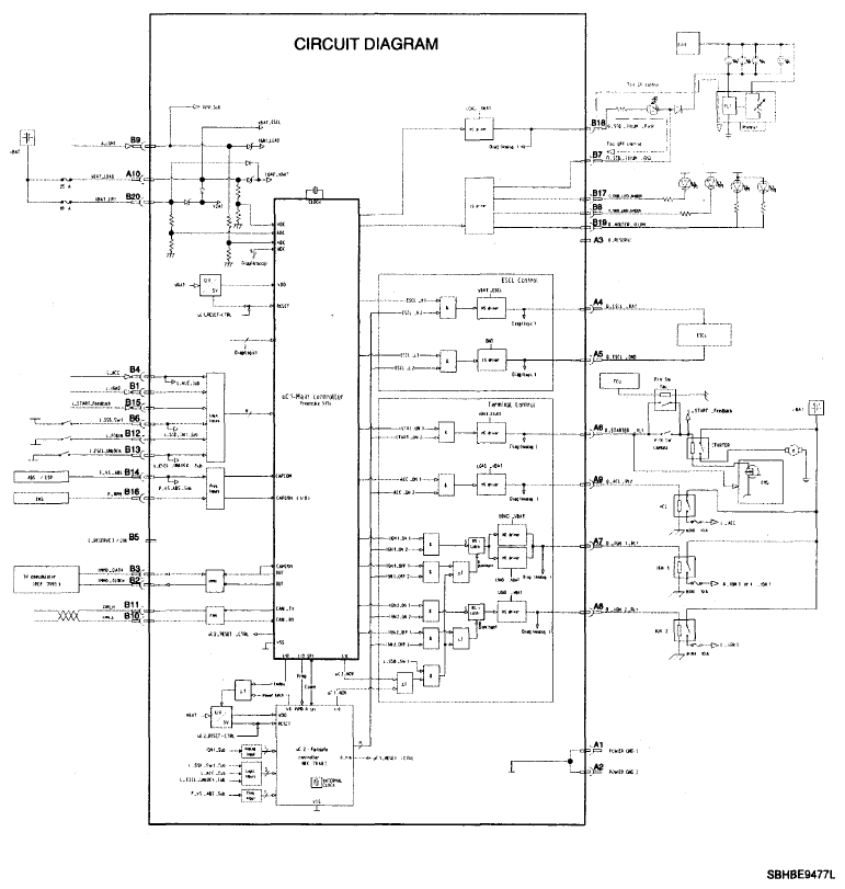
System circuit diagram

Fig 1: PDM (Power Distribution Module) Circuit Diagram
G06103666Courtesy of HYUNDAI MOTOR CO.