LEMON Manuals: Even more car manuals for everyone: 1960-2025
Home >> Hyundai >> 2012 >> Accent GLS, Automatic Trans >> Repair and Diagnosis >> Engine Performance >> System >> Engine Control System Diagnosis (2 Of 2) >> DTC P0564: Cruise Control Multi-Function Input A Circuit >> General Information >> Diagnostic Circuit Diagram
April 5, 2026: LEMON Manuals is launched! Read the announcement.

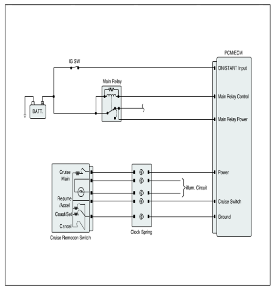
Diagnostic Circuit Diagram

Fig 1: Cruise Remocon Switch Diagnostic Circuit Diagram
G08802591Courtesy of HYUNDAI MOTOR AMERICA
Fig 2: Identifying FTPS, PCM And ECM Connector Terminals
G08802592Courtesy of HYUNDAI MOTOR AMERICA