LEMON Manuals: Even more car manuals for everyone: 1960-2025
Home >> Hyundai >> 2012 >> Accent L4-1.6L >> Repair and Diagnosis >> Diagrams >> Electrical Diagrams >> Powertrain Management >> Engine Control Module
April 5, 2026: LEMON Manuals is launched! Read the announcement.

Engine Control Module





ECM Terminal And Input/Output signal [M/T]




ECM Terminal Function (M/T)
Connector [EGGM-AG]









Connector [EGGM-KG]













ECM Terminal Input/Output Signal (M/T)
Connector [EGGM-AG]













Connector [EGGM-KG]














ECM Terminal And Input/Output signal [A/T]




ECM Terminal Function (A/T)
Connector [EGGA-AG]













Connector [EGGA-KG]













ECM Terminal Input/Output Signal (A/T)
Connector [EGGA-AG]













Connector [EGGA-KG]


















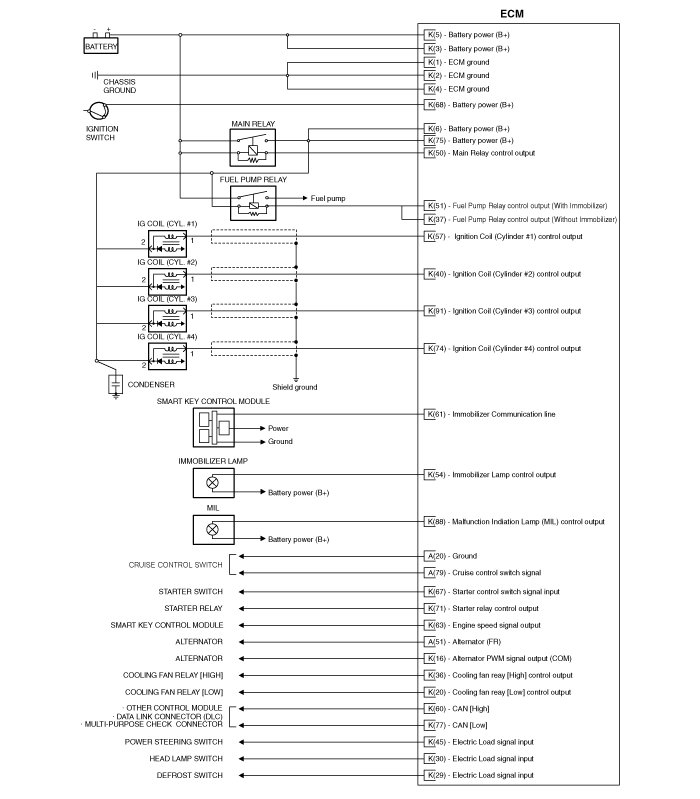
Circuit Diagram

(M/T)
















(A/T)