LEMON Manuals: Even more car manuals for everyone: 1960-2025
Home >> Hyundai >> 2012 >> Santa Fe SE, AWD >> Repair and Diagnosis >> Engine Performance >> Engine Control Systems >> Engine Control System - G3.5 DOHC >> Engine Control Module (ECM) >> Schematic Diagrams >> Circuit Diagram
April 5, 2026: LEMON Manuals is launched! Read the announcement.

Circuit Diagram

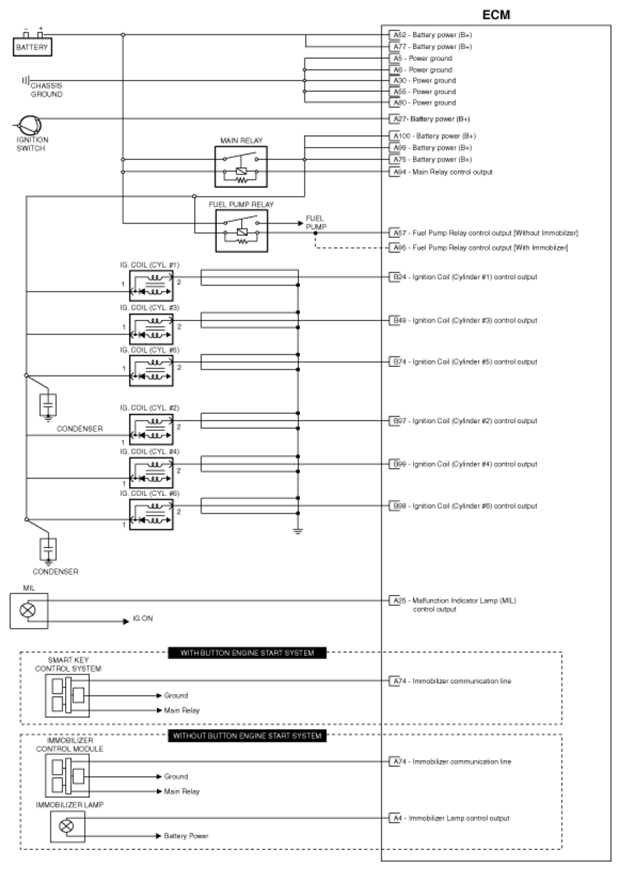
Fig 1: Engine Control Module Circuit Diagram (1 Of 5)
G06844858Courtesy of HYUNDAI MOTOR CO.
Fig 2: Engine Control Module Circuit Diagram (2 Of 5)
G06844859Courtesy of HYUNDAI MOTOR CO.
Fig 3: Engine Control Module Circuit Diagram (3 Of 5)
G06844860Courtesy of HYUNDAI MOTOR CO.
Fig 4: Engine Control Module Circuit Diagram (4 Of 5)
G06844861Courtesy of HYUNDAI MOTOR CO.
Fig 5: Engine Control Module Circuit Diagram (5 Of 5)
G06844862Courtesy of HYUNDAI MOTOR CO.