LEMON Manuals: Even more car manuals for everyone: 1960-2025
Home >> Hyundai >> 2012 >> Tucson GL, Automatic Trans >> Repair and Diagnosis >> Engine Performance >> Engine Control Systems >> Engine Control System >> Engine Control Module (ECM) >> Schematic Diagrams >> Circuit Diagram
April 5, 2026: LEMON Manuals is launched! Read the announcement.

Circuit Diagram

Fig 1: Engine Control System Circuit Diagram (1 Of 4)
G06872175Courtesy of HYUNDAI MOTOR CO.
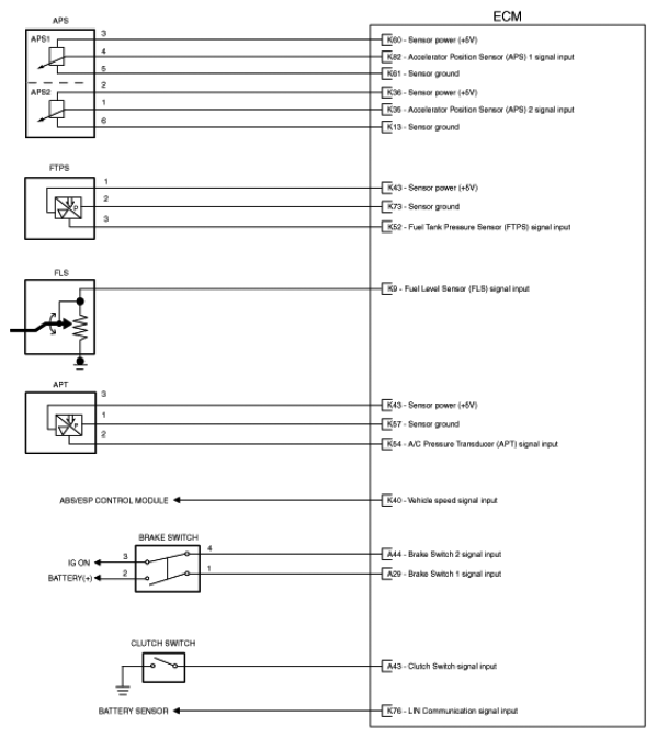
Fig 2: Engine Control System Circuit Diagram (2 Of 4)
G06872176Courtesy of HYUNDAI MOTOR CO.
Fig 3: Engine Control System Circuit Diagram (3 Of 4)
G06872177Courtesy of HYUNDAI MOTOR CO.
Fig 4: Engine Control System Circuit Diagram (4 Of 4)
G06872178Courtesy of HYUNDAI MOTOR CO.