LEMON Manuals: Even more car manuals for everyone: 1960-2025
Home >> Hyundai >> 2012 >> Veloster L4-1.6L >> Repair and Diagnosis >> Starting and Charging >> Starting System >> Keyless Starting System >> Keyless Start Control Module >> Service and Repair >> Repair Procedures
April 5, 2026: LEMON Manuals is launched! Read the announcement.

Repair Procedures





Inspection

Smart Key Unit
- Refer to the BE group - inspection / self diagnosis with GDS.

Smart Key Switch
- Refer to the BE group - inspection / self diagnosis with GDS.

Antenna
- Refer to the BE group - inspection / self diagnosis with GDS.

Tailgate Switch
1. Check for continuity between the Trunk lid open switch terminals.

[with Back View Camera]




1. Ground
2. Tailgate switch

[without Back View Camera]




1. Ground (Tailgate)
2. Tailgate switch
3. Ground (Back View Camera)
4. Power
5. V-OUT
6. V-GND
2. If continuity is not specified, inspect the switch






Removal

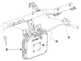
Smart key unit
1. Disconnect the negative(-) battery terminal.
2. Remove the AVN head unit.

3. Remove the smart key unit(A) with loosening bolt and nut, then disconnect the connector.

[USA]





[CANADA]













Interior #1 antenna

NOTE:
Take care not to scratch the crash pad and related parts.

1. Disconnect the negative(-) battery terminal.
2. Remove the console.

3. Remove the multimedia jack.
4. Disconnect the connector, then remove the interior #1 antenna(A) after loosening 2 screws.





Interior #2 antenna

NOTE:
Take care not to scratch the crash pad and related parts.

1. Disconnect the negative(-) battery terminal.
2. Remove the console.

3. Disconnect the connector, then remove the interior #2 antenna(A) after loosening 2 screws.





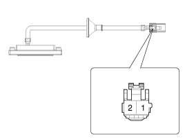
Trunk antenna
1. Disconnect the negative(-) battery terminal.
2. Remove the trunk transverse trim.

3. Disconnect the connector, then remove the trunk antenna(A) after loosening 2 nuts.





Exterior Bumper Antenna
1. Disconnect the negative(-) battery terminal.
2. Remove the rear bumper.

3. Disconnect the connector, then remove the rear bumper antenna(A) after loosening 2 screws.





Buzzer
1. Disconnect the negative(-) battery terminal.
2. Remove the air duct.
3. Remove the buzzer(A) after disconnecting the connector.





Door outside handle
1. Disconnect the negative(-) battery terminal.
2. Remove the front door trim.

3. Remove the door outside handle connector.

[Driver]





[Assistant]




4. Remove the outside handle cover(A) after loosening the mounting bolt.





Tailgate switch
1. Disconnect the negative(-) battery terminal.
2. Remove the tailgate outside handle(A) after loosening the mounting nut(3EA).




3. Remove the tailgate switch assembly after loosening the screw(2EA).




4. Remove the tailgate switch after loosening the screw(2EA).






Installation

Smart Key Unit
1. Install the smart key unit.
2. Connect the connector and install the smart key unit.
3. Install the AVN head unit.
4. Install the negative (-) battery terminal and check the smart key system.

Interior #1 Antenna
1. Install the interior #1 antenna.
2. Install the multimedia jack and the console.
3. Install the negative (-) battery terminal and check the smart key system.

Interior #2 Antenna
1. Install the interior #2 antenna.
2. Install the console.
3. Install the negative (-) battery terminal and check the smart key system.

Trunk Antenna
1. Install the trunk antenna.
2. Install the trunk transverse trim.
3. Install the negative (-) battery terminal and check the smart key system.

Exterior Bumper Antenna
1. Install the exterior bumper antenna.
2. Install the rear bumper.
3. Install the negative (-) battery terminal and check the smart key system.

Buzzer
1. Install the buzzer.
2. Install the air duct.
3. Install the negative (-) battery terminal and check the smart key system.

Door Outside Handle
1. Install the door outside handle.
2. Install the door trim.
3. Install the negative (-) battery terminal and check the smart key system.

Tailgate switch
1. Install the tailgate switch.
2. Install the tailgate outside handle.
3. Install the negative (-) battery terminal and check the smart key system.