LEMON Manuals: Even more car manuals for everyone: 1960-2025
Home >> Hyundai >> 2013 >> Azera V6-3.3L >> Repair and Diagnosis >> Powertrain Management >> Computers and Control Systems >> Body Control Module >> Diagrams
April 5, 2026: LEMON Manuals is launched! Read the announcement.

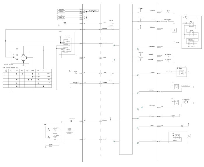
Body Control Module: Diagrams





BCM Connector Terminals

BCM(IPM) Input Signal SPEC





BCM(IPM) Output Signal SPEC










Block Diagram





Circuit Diagram