LEMON Manuals: Even more car manuals for everyone: 1960-2025
Home >> Hyundai >> 2013 >> Elantra L4-1.8L >> Repair and Diagnosis >> Powertrain Management >> Computers and Control Systems >> Relays and Modules - Computers and Control Systems >> Start / Stop Module >> Diagrams >> Charging System
April 5, 2026: LEMON Manuals is launched! Read the announcement.

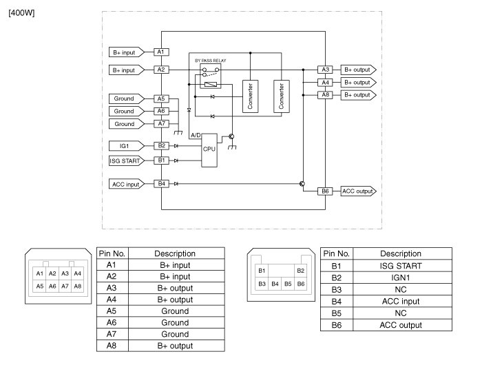
Charging System





Circuit Diagram









NOTE:
In the ISG mode, if the power of an audio system turns OFF by drawdown while "Auto Starting" or "Idle Starting"function operates, replace the DC/DC converter.