LEMON Manuals: Even more car manuals for everyone: 1960-2025
Home >> Hyundai >> 2014 >> Azera Base >> Repair and Diagnosis >> Transmission >> Automatic Trans >> Automatic Transaxle Control System >> Shift Lever >> Components and Components Location >> Components
April 5, 2026: LEMON Manuals is launched! Read the announcement.

Components and Components Location: Components

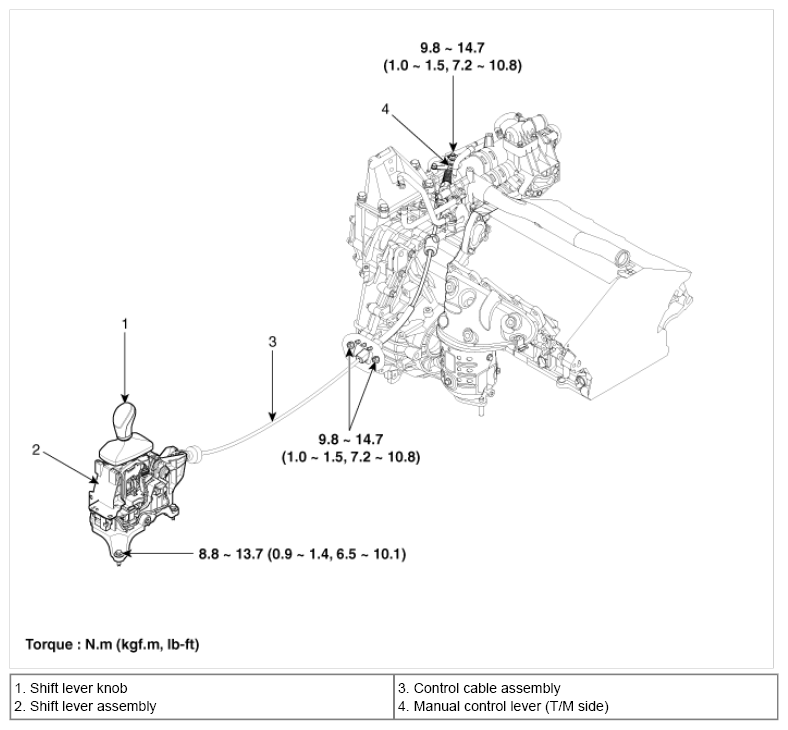
Fig 1: Shift Lever Replacement Components With Torque Specifications
G08809984Courtesy of HYUNDAI MOTOR AMERICA