Electrical Circuit Inspection Procedure
- Check Open Circuit
- Procedures for Open Circuit
- Continuity Check MethodNOTE: When measuring for resistance, lightly shake the wire harness above and below or from side to side.
Specification (Resistance)
1Ω or less → Normal Circuit
1MΩ or Higher → Open Circuit
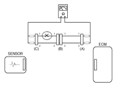
- Disconnect connectors (A), (C) and measure resistance between connector (A) and (C) as shown in [FIG. 2].
In Fig 2 the measured resistance of line 1 and 2 is higher than 1MΩ and below 1 Ω respectively. Specifically the open circuit is line 1 (Line 2 is normal). To find exact break point, check sub line of line 1 as described in next step.
- Disconnect connector (B), and measure for resistance between connector (C) and (B1) and between (B2) and (A) as shown in Fig 3.
In this case the measured resistance between connector (C) and (B1) is higher than 1MΩ and the open circuit is between terminal 1 of connector (C) and terminal 1 of connector (B1).
- Disconnect connectors (A), (C) and measure resistance between connector (A) and (C) as shown in [FIG. 2].
- Voltage Check Method
- With each connector still connected, measure the voltage between the chassis ground and terminal 1 of each connectors (A), (B) and (C) as shown in Fig 4.
The measured voltage of each connector is 5V, 5V and 0V respectively. So the open circuit is between connector (C) and (B).
- With each connector still connected, measure the voltage between the chassis ground and terminal 1 of each connectors (A), (B) and (C) as shown in Fig 4.
- Check Short Circuit
- Test Method for Short to Ground Circuit
- Continuity Check Method (with Chassis Ground)NOTE: Lightly shake the wire harness above and below, or from side to side when measuring the resistance.
Specification (Resistance)
1Ω or less → Short to Ground Circuit
1MΩ or Higher → Normal Circuit
- Disconnect connectors (A), (C) and measure for resistance between connector (A) and Chassis Ground as shown in Fig 6.
The measured resistance of line 1 and 2 in this example is below 1 Ω and higher than 1MΩ respectively. Specifically the short to ground circuit is line 1 (Line 2 is normal). To find exact broken point, check the sub line of line 1 as described in the following step.
- Disconnect connector (B), and measure the resistance between connector (A) and chassis ground, and between (B1) and chassis ground as shown in Fig 7.
The measured resistance between connector (B1) and chassis ground is 1Ω or less. The short to ground circuit is between terminal 1 of connector (C) and terminal 1 of connector (B1).
- Disconnect connectors (A), (C) and measure for resistance between connector (A) and Chassis Ground as shown in Fig 6.
- Testing For Voltage Drop
This test checks for voltage drop along a wire, or through a connection or switch.
- Connect the positive lead of a voltmeter to the end of the wire (or to the side of the connector or switch) closest to the battery.
- Connect the negative lead to the other end of the wire. (or the other side of the connector or switch)
- Operate the circuit.
- The voltmeter will show the difference in voltage between the two points. A difference, or drop of more than 0.1 volts (50mV in 5V circuits), may indicate a problem. Check the circuit for loose or dirty connections.