LEMON Manuals: Even more car manuals for everyone: 1960-2025
Home >> Hyundai >> 2018 >> Elantra GT Base, Automatic Trans >> Repair and Diagnosis >> Transmission >> Transmission Control Systems >> Automatic Transaxle Control System - 2.0L >> Transaxle Control Module (TCM) >> Schematic Diagrams >> Circuit Diagram
April 5, 2026: LEMON Manuals is launched! Read the announcement.

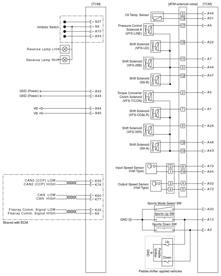
Circuit Diagram

G12646914Courtesy of HYUNDAI MOTOR AMERICA

[Inhibitor Switch] 

G12646915Courtesy of HYUNDAI MOTOR AMERICA