Electrical Circuit Inspection Procedure
- Check Open Circuit
- Procedures for Open Circuit
- Continuity Check
- Voltage Check
If an open circuit occurs (as seen in [figure below]), it can be found by performing Step 2 (Continuity Check Method) or Step 3 (Voltage Check Method) as shown below.
- Continuity Check MethodNOTE: When measuring for resistance, lightly shake the wire harness above and below or from side to side.
Specification (Resistance)
1Ω or less → Normal Circuit
1MΩ or Higher → Open Circuit
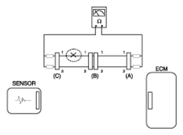
- Disconnect connectors (A), (C) and measure resistance between connector (A) and (C) as shown in [figure below].
In [figure below.] the measured resistance of line 1 and 2 is higher than 1MΩ and below 1Ω respectively. Specifically the open circuit is line 1 (Line 2 is normal). To find exact break point, check sub line of line 1 as described in next step.
- Disconnect connector (B), and measure for resistance between connector (C) and (B1) and between (B2) and (A) as shown in [figure below].
In this case the measured resistance between connector (C) and (B1) is higher than 1MΩ and the open circuit is between terminal 1 of connector (C) and terminal 1 of connector (B1).
- Disconnect connectors (A), (C) and measure resistance between connector (A) and (C) as shown in [figure below].
- Voltage Check Method
- Procedures for Open Circuit