LEMON Manuals: Even more car manuals for everyone: 1960-2025
Home >> Hyundai >> 2020 >> Elantra GT Base >> Repair and Diagnosis >> Transmission >> Transmission Control Systems >> Automatic Transaxle Control System - 2.0L >> Transaxle Control Module (TCM) >> Schematic Diagrams >> Circuit Diagram
April 5, 2026: LEMON Manuals is launched! Read the announcement.

Circuit Diagram

G13037334Courtesy of HYUNDAI MOTOR AMERICA

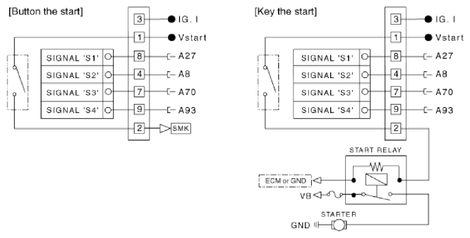
[Inhibitor switch] 

G13037335Courtesy of HYUNDAI MOTOR AMERICA