LEMON Manuals: Even more car manuals for everyone: 1960-2025
Home >> Infiniti >> 2003 >> FX35 AWD >> Repair and Diagnosis (Single Page) >> Engine Performance >> System >> Engine Controls - Self-Diagnostics >> Diagnostic Tests >> DTC P0222: Throttle Position Sensor 1 Circuit Low Input & DTC P0223: Throttle Position Sensor 1 Circuit High Input >> Diagnostic Procedure
April 5, 2026: LEMON Manuals is launched! Read the announcement.

Diagnostic Procedure

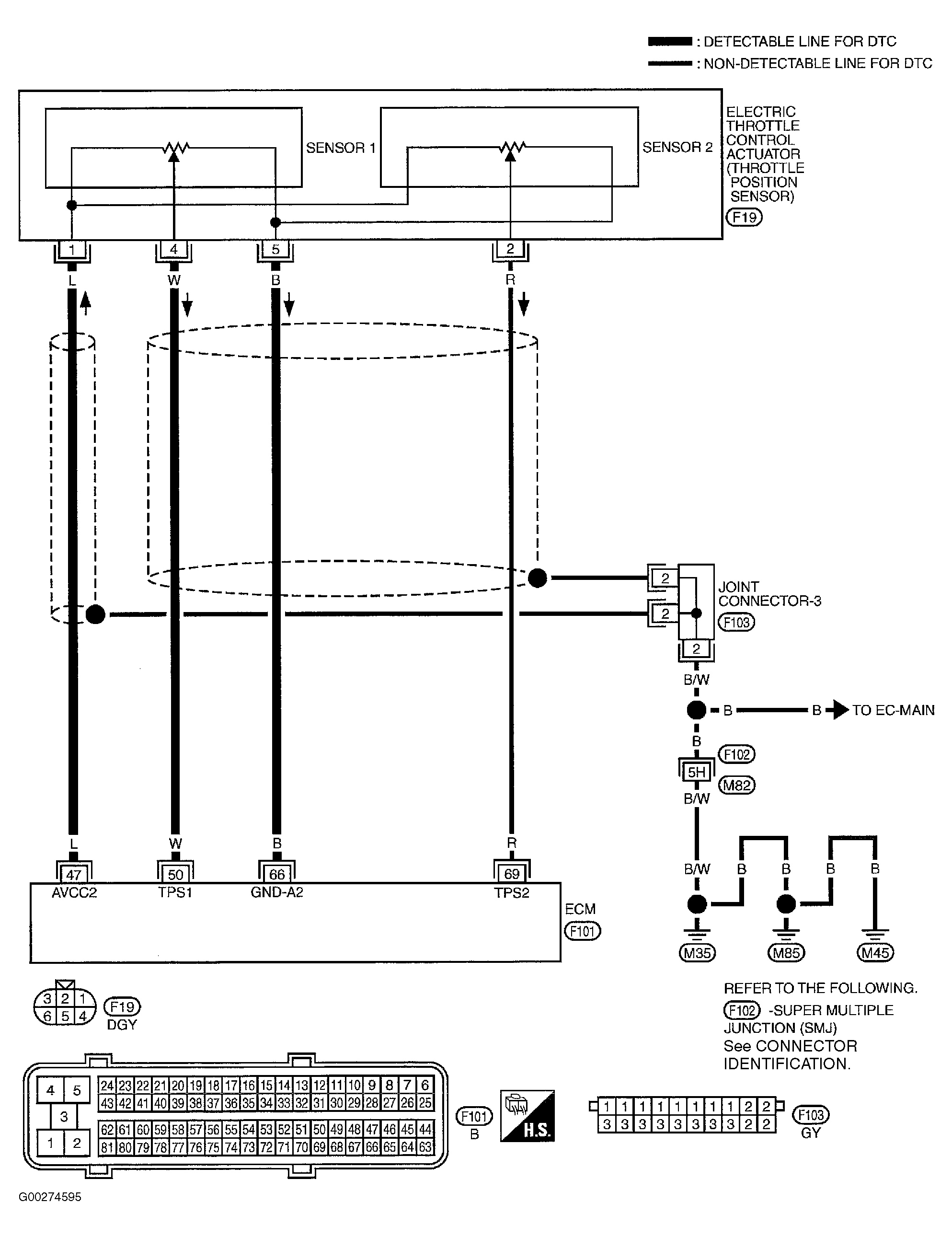
For DTC P0222 and P0223 diagnostic procedure, related circuits and connectors, see Fig 1-Fig 4 .

Fig 1: Identifying TP Sensor Related Circuits & Connectors
G00274595Courtesy of NISSAN MOTOR CO., U.S.A.
Fig 2: Identifying Throttle Position Sensor Specification Data
G00274604Courtesy of NISSAN MOTOR CO., U.S.A.
Fig 3: DTCs P0222 & P0223 Diagnostic Procedure (1 Of 2)
G00266029Courtesy of NISSAN MOTOR CO., U.S.A.
Fig 4: DTCs P0222 & P0223 Diagnostic Procedure (2 Of 2)
G00266030Courtesy of NISSAN MOTOR CO., U.S.A.