LEMON Manuals: Even more car manuals for everyone: 1960-2025
Home >> Infiniti >> 2003 >> FX45 >> Repair and Diagnosis (Single Page) >> Accessories & Equipment >> Wiper/Washer Systems >> Front Wiper & Washer System >> Front Wiper And Washer System >> System Description >> Combination Switch Reading Function >> Operation mode
April 5, 2026: LEMON Manuals is launched! Read the announcement.

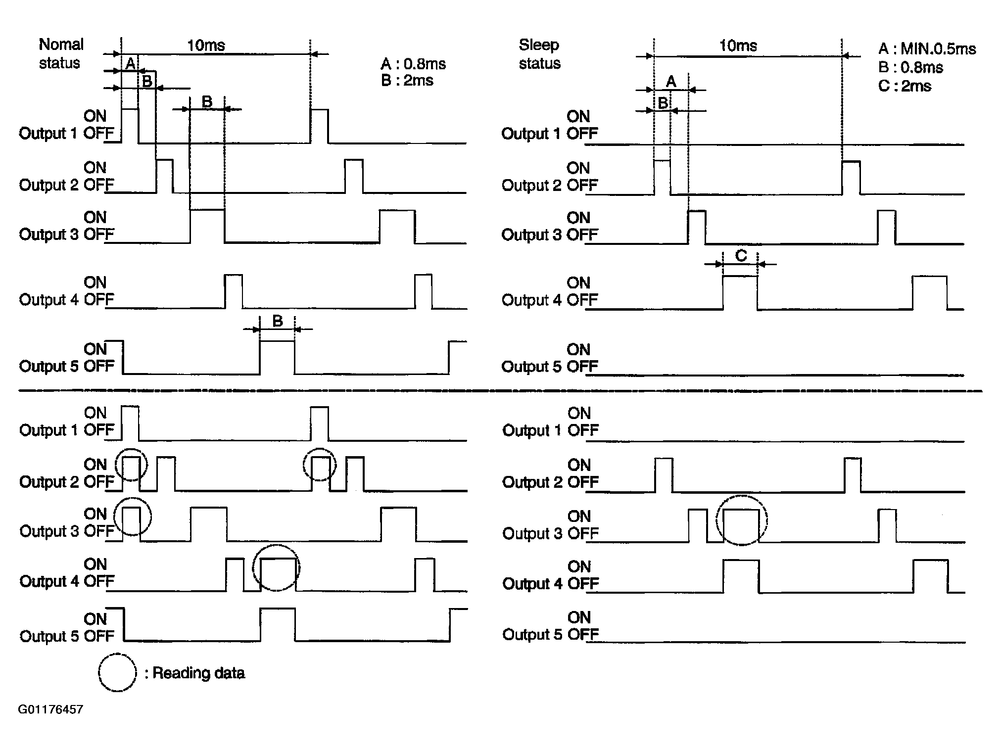
Operation mode

Combination switch reading function has operation modes shown below.

  1. Normal status
    • When BCM is not in sleep status, OUTPUT terminals (1-5) each turn ON-OFF every 10 ms.
  2. Sleep status
    • When BCM is in sleep status, transistors of OUTPUT (1 and 5) stop the output, and BCM enters low current consumption mode. OUTPUT (2, 3, and 4) turn ON-OFF every 10 ms, and only input from light switch system is accepted.
      Fig 1: Identifying Operation Modes Of Combination Switch Reading Function
      G01176457Courtesy of NISSAN MOTOR CO., U.S.A.