LEMON Manuals: Even more car manuals for everyone: 1960-2025
Home >> Infiniti >> 2004 >> M45 >> Repair and Diagnosis (Single Page) >> Accessories & Equipment >> Communication Devices >> Vehicle Information And Integrated Switch System /Without Navigation System >> Vehicle Information And Integrated Switch System/Without Navigation System >> Schematic
April 5, 2026: LEMON Manuals is launched! Read the announcement.

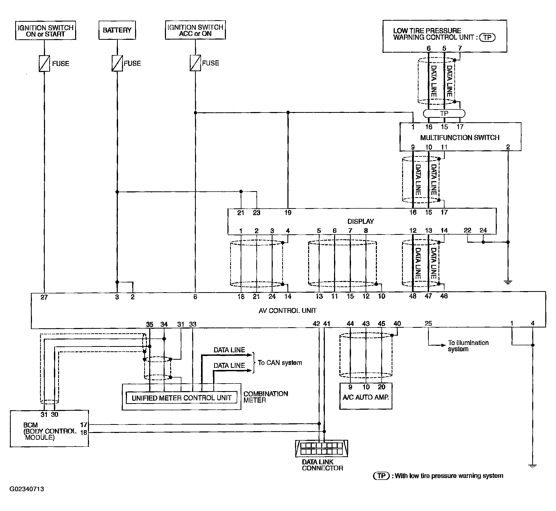
Vehicle Information And Integrated Switch System/Without Navigation System: Schematic

Fig 1: Schematic Diagram Of Vehicle Information And Integrated Switch System/Without Navigation System
G02340713Courtesy of NISSAN MOTOR CO., U.S.A.