LEMON Manuals: Even more car manuals for everyone: 1960-2025
Home >> Infiniti >> 2007 >> M35 Base >> Repair and Diagnosis (Single Page) >> Accessories & Equipment >> Anti-Theft Systems >> Body, Lock & Security System >> Intelligent Key System/Engine Start Function >> Wiring Diagram - ENG/ST -
April 5, 2026: LEMON Manuals is launched! Read the announcement.

Wiring Diagram - ENG/ST -

For PG, go to POWER SUPPLY, GROUND & CIRCUIT ELEMENTS .

Fig 1: Wiring Diagram - ENG/ST - BL-ENG/ST-01
G05212296
Fig 2: Wiring Diagram - ENG/ST - BL-ENG/ST-02
G05212297
Fig 3: Wiring Diagram - ENG/ST - BL-ENG/ST-03
G05212298
Fig 4: Wiring Diagram - ENG/ST - BL-ENG/ST-04
G05212299
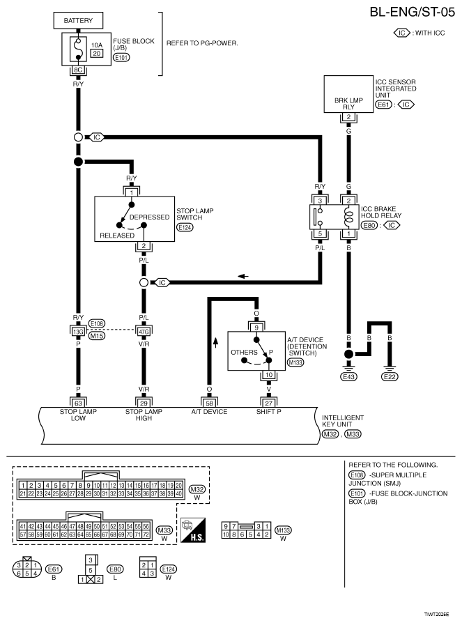
Fig 5: Wiring Diagram - ENG/ST - BL-ENG/ST-05
G05212300
Fig 6: Wiring Diagram - ENG/ST - BL-ENG/ST-06
G05212301
Fig 7: Wiring Diagram - ENG/ST - BL-ENG/ST-07
G05212302
Fig 8: Wiring Diagram - ENG/ST - BL-ENG/ST-08
G05212303
Fig 9: Wiring Diagram - ENG/ST - BL-ENG/ST-09
G05212304