LEMON Manuals: Even more car manuals for everyone: 1960-2025
Home >> Infiniti >> 2008 >> M45 Base >> Repair and Diagnosis (Single Page) >> Engine Performance >> Engine Control Systems >> Engine Control System (VK45DE) - DTCS P0460 Through P1421 >> DTC P1220 Fuel Pump Control Module (FPCM) >> Wiring Diagram
April 5, 2026: LEMON Manuals is launched! Read the announcement.

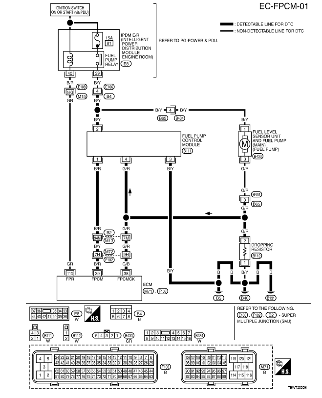
DTC P1220 Fuel Pump Control Module (FPCM): Wiring Diagram

Fig 1: EC-FPCM-01 - Wiring Diagram
G00479673Courtesy of NISSAN MOTOR CO., U.S.A.

Specification data are reference values and are measured between each terminal and ground.

CAUTION: Do not use ECM ground terminals when measuring input/output voltage. Doing so may result in damage to the ECM's transistor. Use a ground other than ECM terminals, such as the ground.
TERMINAL SPECIFICATION DATA REFERENCE

TERMINAL NO. WIRE COLOR ITEM CONDITION DATA (DC Voltage)
38 G/B Fuel pump control module (FPCM) check [When cranking engine]  Approximately 0V
[Engine is running] 
  • Warm-up condition 
  • Idle speed
4 - 6V
39 B/R Fuel pump control module (FPCM) [When cranking engine]  0 - 0.5V
[Engine is running] 
  • Warm-up condition 
  • Idle speed
8 - 12V
113 GR Fuel pump relay [Ignition switch: ON] 
  • For 1 second after turning ignition switch ON

[Engine is running] 
0 - 1.5V
[Ignition switch: ON] 
  • More than 1 second after turning ignition switch ON
BATTERY VOLTAGE (11 - 14V)