LEMON Manuals: Even more car manuals for everyone: 1960-2025
Home >> Infiniti >> 2009 >> FX50 >> Repair and Diagnosis >> Transmission >> Automatic Transmission >> On-Vehicle Repair >> Control Device >> Exploded View
April 5, 2026: LEMON Manuals is launched! Read the announcement.

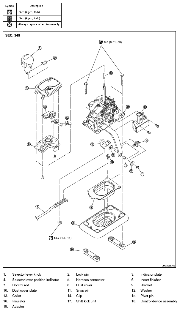
Exploded View

Fig 1: Exploded View Of Control Device With Torque Specifications
G05980472Courtesy of NISSAN MOTOR CO., U.S.A.

Refer to "COMPONENTS " for symbols in the figure.