LEMON Manuals: Even more car manuals for everyone: 1960-2025
Home >> Infiniti >> 2010 >> G37 Base, 2D Convertible >> Repair and Diagnosis >> External Pages >> Different car >> Section 127 (Security Control System (With Intelligent Key System)) >> Ecu Diagnosis >> BCM (Body Control Module) >> Wiring Diagram - VEHICLE SECURITY SYSTEM
April 5, 2026: LEMON Manuals is launched! Read the announcement.

Wiring Diagram - VEHICLE SECURITY SYSTEM

WARNING: This page is about a different car, the 2010 Nissan Pathfinder. However, it is still accessible from the selected car via links, so may be relevant.
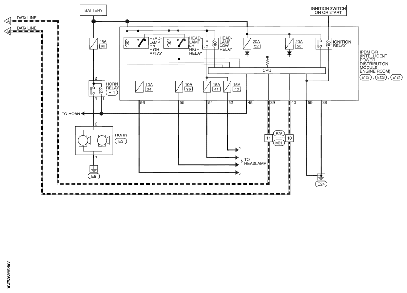
Fig 1: Vehicle Security System - Wiring Diagram (1 Of 2)
G06606842Courtesy of NISSAN MOTOR CO., U.S.A.
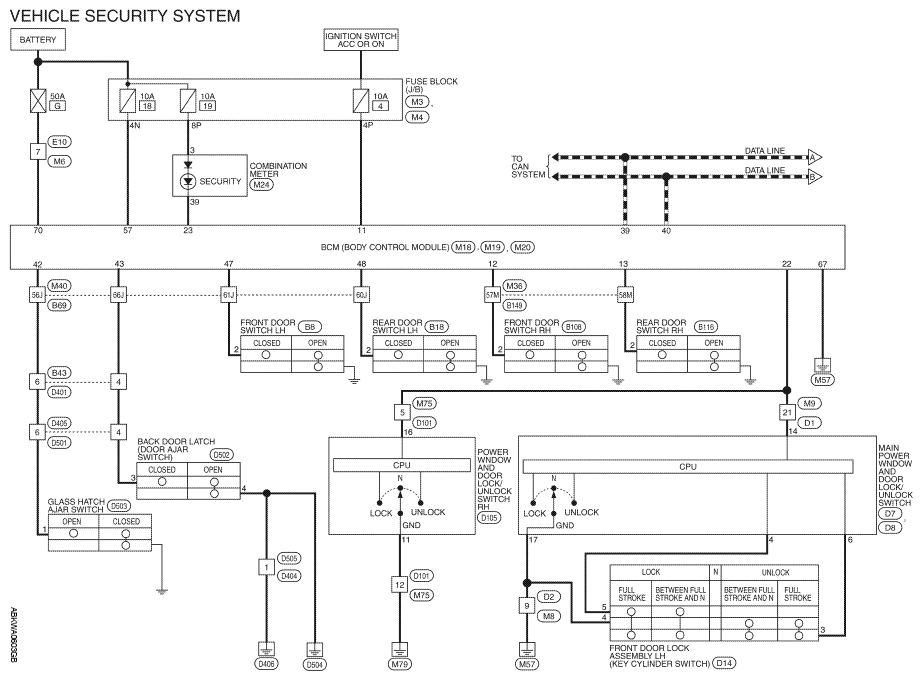
Fig 2: Vehicle Security System - Wiring Diagram (2 Of 2)
G06606843Courtesy of NISSAN MOTOR CO., U.S.A.
Fig 3: Vehicle Security System Connectors Chart (1 Of 8)
G06606844Courtesy of NISSAN MOTOR CO., U.S.A.
Fig 4: Vehicle Security System Connectors Chart (2 Of 8)
G06606845Courtesy of NISSAN MOTOR CO., U.S.A.
Fig 5: Vehicle Security System Connectors Chart (3 Of 8)
G05941798Courtesy of NISSAN MOTOR CO., U.S.A.
Fig 6: Vehicle Security System Connectors Chart (4 Of 8)
G06606847Courtesy of NISSAN MOTOR CO., U.S.A.
Fig 7: Vehicle Security System Connectors Chart (5 Of 8)
G05941800Courtesy of NISSAN MOTOR CO., U.S.A.
Fig 8: Vehicle Security System Connectors Chart (6 Of 8)
G05941801Courtesy of NISSAN MOTOR CO., U.S.A.
Fig 9: Vehicle Security System Connectors Chart (7 Of 8)
G06606850Courtesy of NISSAN MOTOR CO., U.S.A.
Fig 10: Vehicle Security System Connectors Chart (8 Of 8)
G06606851Courtesy of NISSAN MOTOR CO., U.S.A.