LEMON Manuals: Even more car manuals for everyone: 1960-2025
Home >> Infiniti >> 2012 >> G37 Base, 2D Convertible >> Repair and Diagnosis >> Body & Frame >> Door Locks >> Security Control System (Convertible) >> DTC/Circuit Diagnosis >> Intelligent Key System/Engine Start Function >> Wiring Diagram - INTELLIGENT KEY SYSTEM/ENGINE START FUNCTION -
April 5, 2026: LEMON Manuals is launched! Read the announcement.

Wiring Diagram - INTELLIGENT KEY SYSTEM/ENGINE START FUNCTION -

For connector terminal arrangements, harness layouts, and alphabets in a "diamond shape" symbol (option abbreviation; if not described in wiring diagram), refer to "CONNECTOR INFORMATION ".

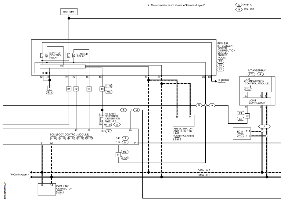
Fig 1: Identifying Intelligent Key System/Engine Start Function Wiring Diagram (1 Of 3)
G08448907Courtesy of NISSAN NORTH AMERICA, INC.
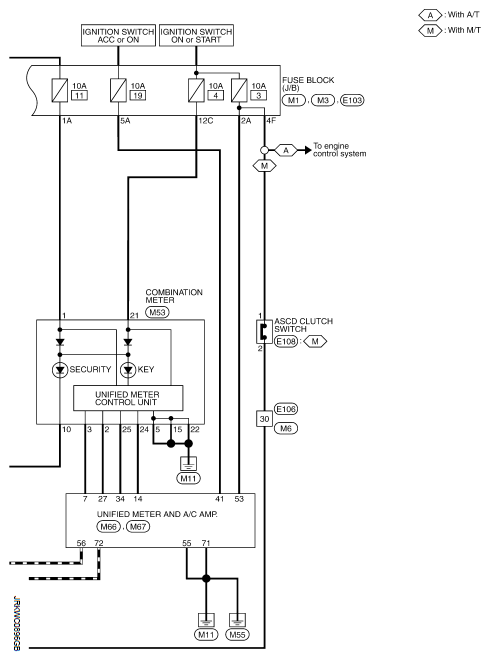
Fig 2: Identifying Intelligent Key System/Engine Start Function Wiring Diagram (2 Of 3)
G08448908Courtesy of NISSAN NORTH AMERICA, INC.
Fig 3: Identifying Intelligent Key System/Engine Start Function Wiring Diagram (3 Of 3)
G08448909Courtesy of NISSAN NORTH AMERICA, INC.