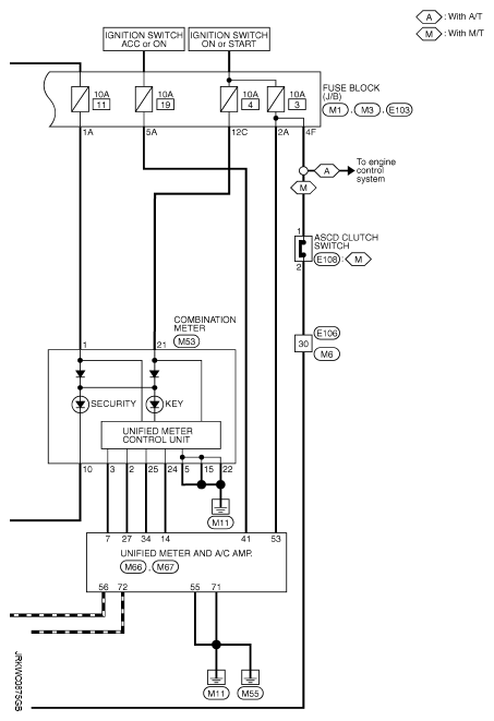
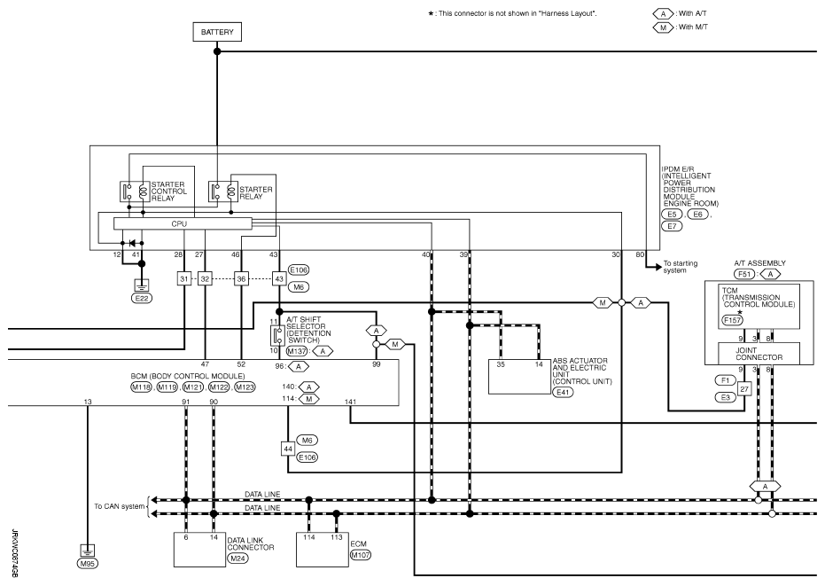
Wiring Diagram - INTELLIGENT KEY SYSTEM/ENGINE START FUNCTION -
For connector terminal arrangements, harness layouts, and alphabets (option abbreviation; if not described in wiring diagram), refer to "CONNECTOR INFORMATION ".
For connector terminal arrangements, harness layouts, and alphabets (option abbreviation; if not described in wiring diagram), refer to "CONNECTOR INFORMATION ".