LEMON Manuals: Even more car manuals for everyone: 1960-2025
Home >> Infiniti >> 2012 >> M37 Base >> Repair and Diagnosis (Single Page) >> Transmission >> Automatic Transmission >> Unit Disassembly And Assembly >> Transmission Assembly >> Exploded View >> AWD Models
April 5, 2026: LEMON Manuals is launched! Read the announcement.

AWD Models

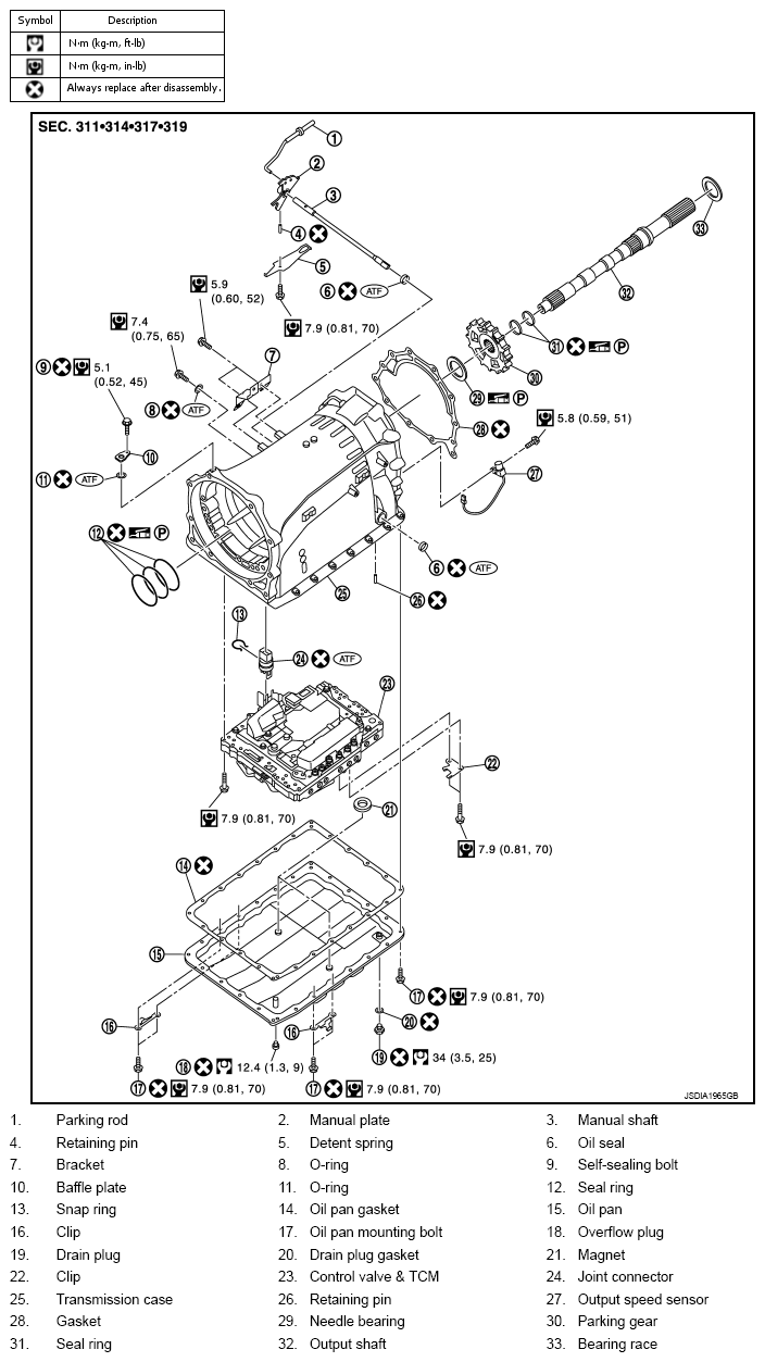
Fig 1: Exploded View Of Transmission Assembly With Torque Specifications (AWD) (1 Of 5)
G08649516Courtesy of NISSAN NORTH AMERICA, INC.

Refer to "COMPONENTS " for symbols not described on the above.

Fig 2: Exploded View Of Transmission Assembly (AWD) (2 Of 5)
G08649517Courtesy of NISSAN NORTH AMERICA, INC.

Refer to "COMPONENTS " for symbols not described on the above.

Fig 3: Exploded View Of Transmission Assembly (AWD) (3 Of 5)
G08649518Courtesy of NISSAN NORTH AMERICA, INC.

Refer to "COMPONENTS " for symbols in the figure.

Fig 4: Exploded View Of Transmission Assembly With Torque Specifications (AWD) (4 Of 5)
G08649519Courtesy of NISSAN NORTH AMERICA, INC.

Refer to "COMPONENTS " for symbols in the figure.

Fig 5: Exploded View Of Transmission Assembly With Torque Specifications (AWD) (5 Of 5)
G08649520Courtesy of NISSAN NORTH AMERICA, INC.

Refer to "COMPONENTS " for symbols in the figure.