LEMON Manuals: Even more car manuals for everyone: 1960-2025
Home >> Infiniti >> 2012 >> M37 Base >> Repair and Diagnosis >> External Pages >> Different car >> Section 13 (Automatic Transmission) >> Unit Disassembly And Assembly >> Overhaul >> Exploded View
April 5, 2026: LEMON Manuals is launched! Read the announcement.

Exploded View

WARNING: This page is about a different car, the 2013 Nissan Xterra. However, it is still accessible from the selected car via links, so may be relevant.
Fig 1: Bell Housing Components With Torque Specifications
G08713124Courtesy of NISSAN NORTH AMERICA, INC.

Refer to "COMPONENT " for symbols not described on the above.

Fig 2: Clutch Pack Components
G08713125Courtesy of NISSAN NORTH AMERICA, INC.

Refer to "COMPONENT " for symbols in the figure.

Fig 3: Transmission Case Components With Torque Specifications (2WD)
G08713126Courtesy of NISSAN NORTH AMERICA, INC.

Refer to "COMPONENT " for symbols not described on the above.

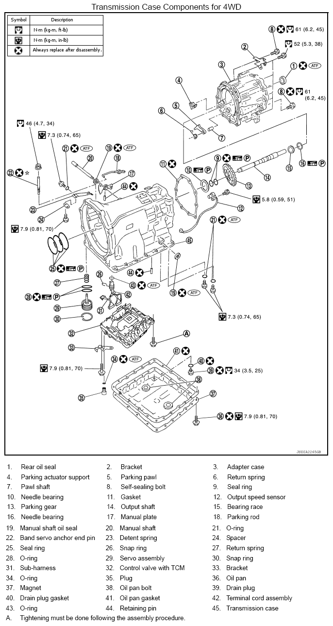
Fig 4: Transmission Case Components With Torque Specifications (4WD)
G08713127Courtesy of NISSAN NORTH AMERICA, INC.

Refer to "COMPONENT " for symbols in the figure.