LEMON Manuals: Even more car manuals for everyone: 1960-2025
Home >> Infiniti >> 2013 >> M56 Base >> Repair and Diagnosis >> Transmission >> Automatic Transmission >> System Description >> Structure And Operation >> System Diagram
April 5, 2026: LEMON Manuals is launched! Read the announcement.

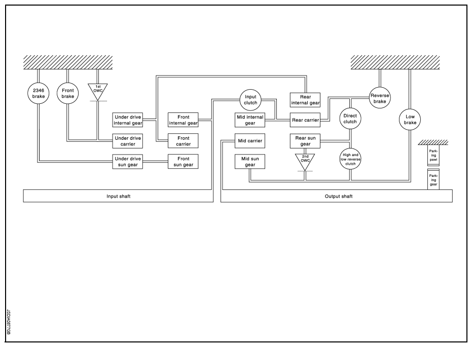
System Diagram

Fig 1: A/T Shift Lock System Diagram
G08890728Courtesy of NISSAN NORTH AMERICA, INC.