LEMON Manuals: Even more car manuals for everyone: 1960-2025
Home >> Infiniti >> 2014 >> QX80 RWD >> Repair and Diagnosis >> Engine Performance >> System >> Engine Control System (Introduction) >> Wiring Diagram >> Engine Control System >> Wiring Diagram
April 5, 2026: LEMON Manuals is launched! Read the announcement.

Engine Control System: Wiring Diagram

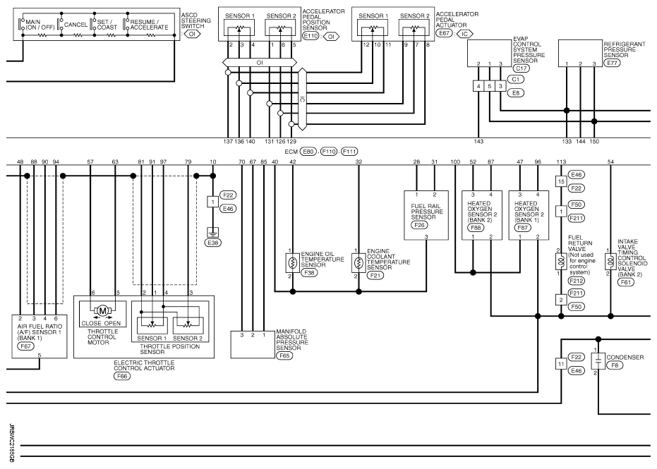
Fig 1: Engine Control System Wiring Diagram (1 Of 6)
G09180813Courtesy of NISSAN NORTH AMERICA, INC.
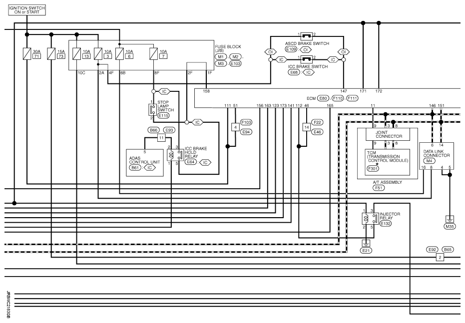
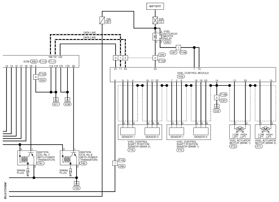
Fig 2: Engine Control System Wiring Diagram (2 Of 6)
G09180814Courtesy of NISSAN NORTH AMERICA, INC.
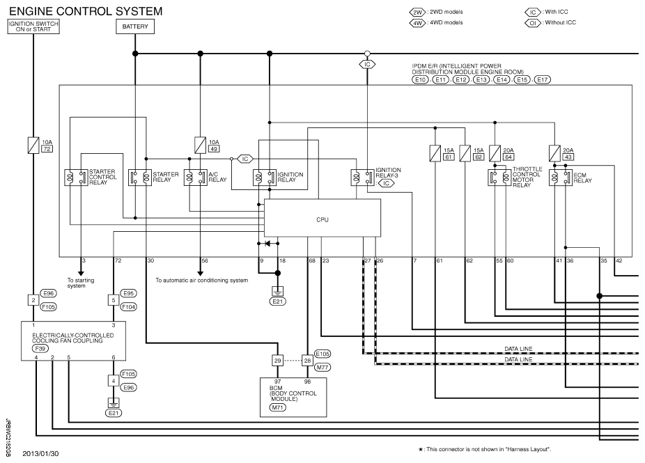
Fig 3: Engine Control System Wiring Diagram (3 Of 6)
G09180815Courtesy of NISSAN NORTH AMERICA, INC.
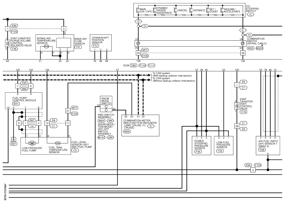
Fig 4: Engine Control System Wiring Diagram (4 Of 6)
G09180816Courtesy of NISSAN NORTH AMERICA, INC.
Fig 5: Engine Control System Wiring Diagram (5 Of 6)
G09180817Courtesy of NISSAN NORTH AMERICA, INC.
Fig 6: Engine Control System Wiring Diagram (6 Of 6)
G09180818Courtesy of NISSAN NORTH AMERICA, INC.
Fig 7: Engine Control System Connector End Views (1 Of 17)
G09180819Courtesy of NISSAN NORTH AMERICA, INC.
Fig 8: Engine Control System Connector End Views (2 Of 17)
G09180820Courtesy of NISSAN NORTH AMERICA, INC.
Fig 9: Engine Control System Connector End Views (3 Of 17)
G09180821Courtesy of NISSAN NORTH AMERICA, INC.
Fig 10: Engine Control System Connector End Views (4 Of 17)
G09180822Courtesy of NISSAN NORTH AMERICA, INC.
Fig 11: Engine Control System Connector End Views (5 Of 17)
G09180823Courtesy of NISSAN NORTH AMERICA, INC.
Fig 12: Engine Control System Connector End Views (6 Of 17)
G09180824Courtesy of NISSAN NORTH AMERICA, INC.
Fig 13: Engine Control System Connector End Views (7 Of 17)
G09180825Courtesy of NISSAN NORTH AMERICA, INC.
Fig 14: Engine Control System Connector End Views (8 Of 17)
G09180826Courtesy of NISSAN NORTH AMERICA, INC.
Fig 15: Engine Control System Connector End Views (9 Of 17)
G09180827Courtesy of NISSAN NORTH AMERICA, INC.
Fig 16: Engine Control System Connector End Views (10 Of 17)
G09180828Courtesy of NISSAN NORTH AMERICA, INC.
Fig 17: Engine Control System Connector End Views (11 Of 17)
G09180829Courtesy of NISSAN NORTH AMERICA, INC.
Fig 18: Engine Control System Connector End Views (12 Of 17)
G09180830Courtesy of NISSAN NORTH AMERICA, INC.
Fig 19: Engine Control System Connector End Views (13 Of 17)
G09180831Courtesy of NISSAN NORTH AMERICA, INC.
Fig 20: Engine Control System Connector End Views (14 Of 17)
G09180832Courtesy of NISSAN NORTH AMERICA, INC.
Fig 21: Engine Control System Connector End Views (15 Of 17)
G09180833Courtesy of NISSAN NORTH AMERICA, INC.
Fig 22: Engine Control System Connector End Views (16 Of 17)
G09180834Courtesy of NISSAN NORTH AMERICA, INC.
Fig 23: Engine Control System Connector End Views (17 Of 17)
G09180835Courtesy of NISSAN NORTH AMERICA, INC.