LEMON Manuals: Even more car manuals for everyone: 1960-2025
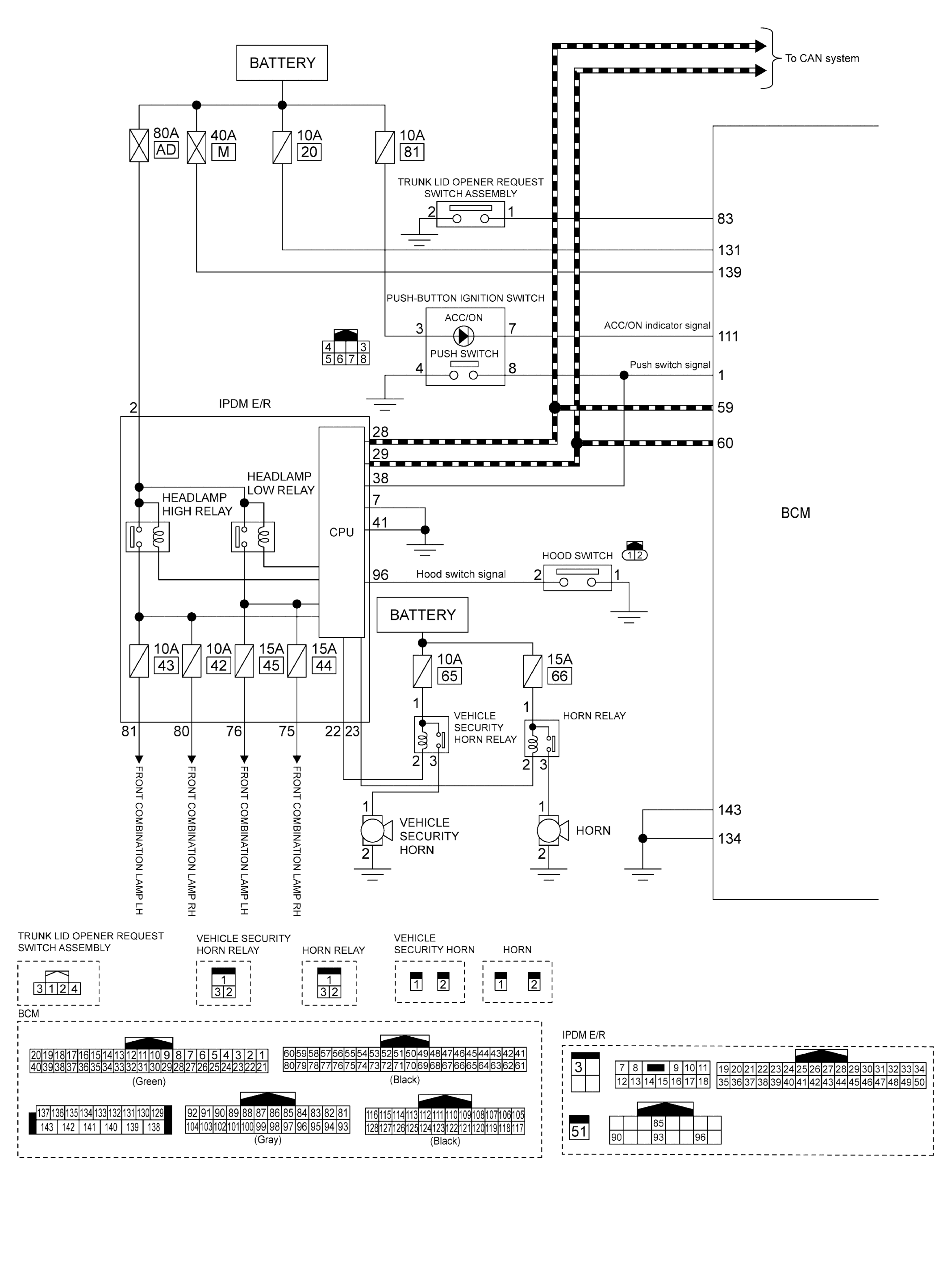
Home >> Infiniti >> 2017 >> Q50 Base, AWD >> Repair and Diagnosis (Single Page) >> Accessories & Equipment >> Anti-Theft Systems >> Security Control System (Except Hybrid) >> System Description >> System >> Vehicle Security System >> Circuit Diagram >> For 2.0L Turbo Gasoline Engine Models
April 5, 2026: LEMON Manuals is launched! Read the announcement.

For 2.0L Turbo Gasoline Engine Models

GNSJMKIB7510GB-510Courtesy of NISSAN NORTH AMERICA, INC.
GNSJMKIB7511GB-511Courtesy of NISSAN NORTH AMERICA, INC.