LEMON Manuals: Even more car manuals for everyone: 1960-2025
Home >> Infiniti >> 2017 >> Q50 Base, AWD >> Repair and Diagnosis (Single Page) >> Engine Performance >> Testing & Diagnosis >> Engine Control System (Introduction) (2.0L) (Except Hybrid) >> System Description >> System >> Engine Control System >> Circuit Diagram
April 5, 2026: LEMON Manuals is launched! Read the announcement.

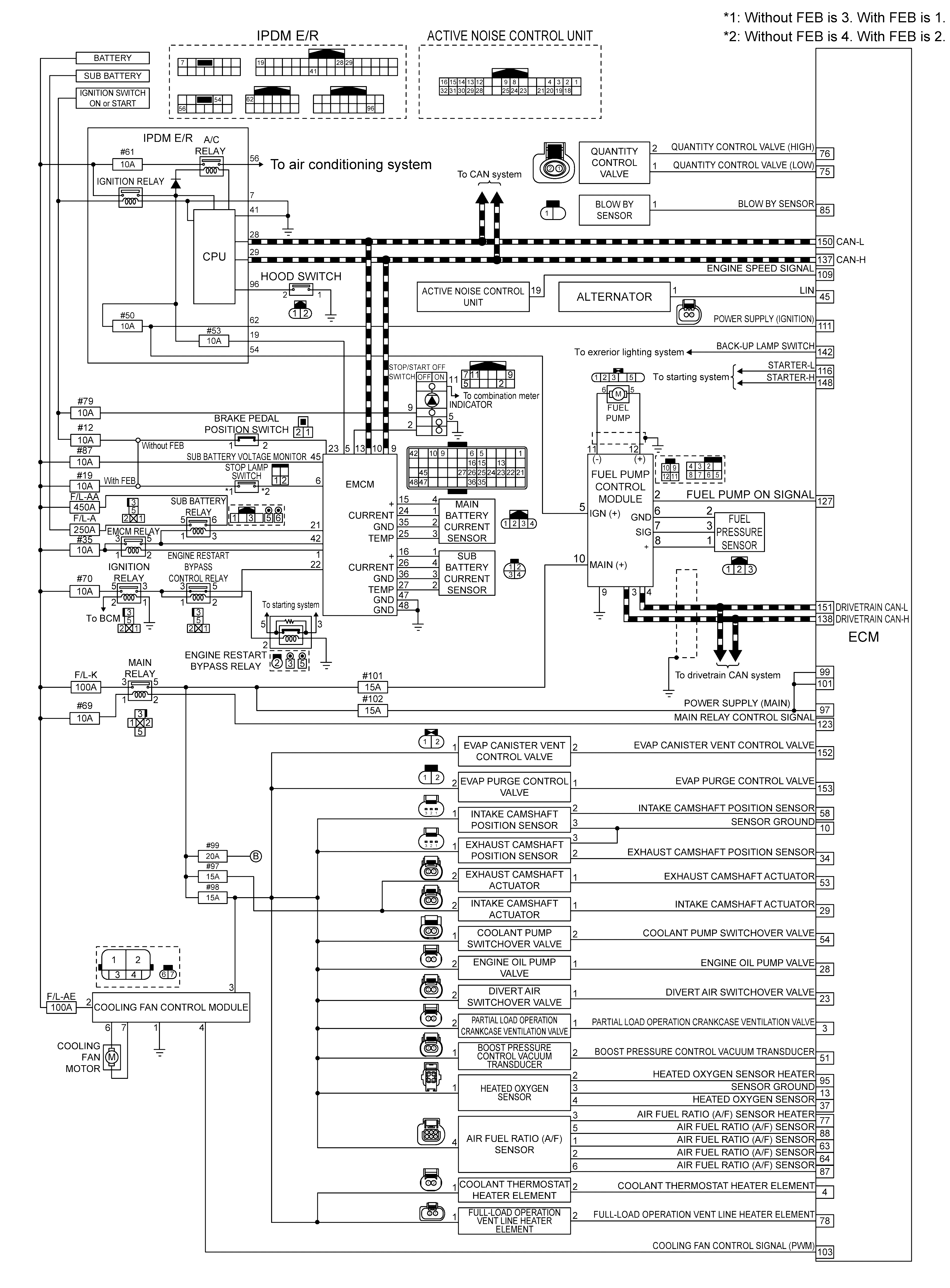
Circuit Diagram

GNSJSBIB1383GB-383Courtesy of NISSAN NORTH AMERICA, INC.
GNSJSBIB1384GB-384Courtesy of NISSAN NORTH AMERICA, INC.