LEMON Manuals: Even more car manuals for everyone: 1960-2025
Home >> Infiniti >> 2017 >> Q50 Base, AWD >> Repair and Diagnosis >> External Pages >> Different car >> Section 573 (Power Window Control System (Diagnostics)) >> Description >> System >> Power Window System >> Circuit Diagram
April 5, 2026: LEMON Manuals is launched! Read the announcement.

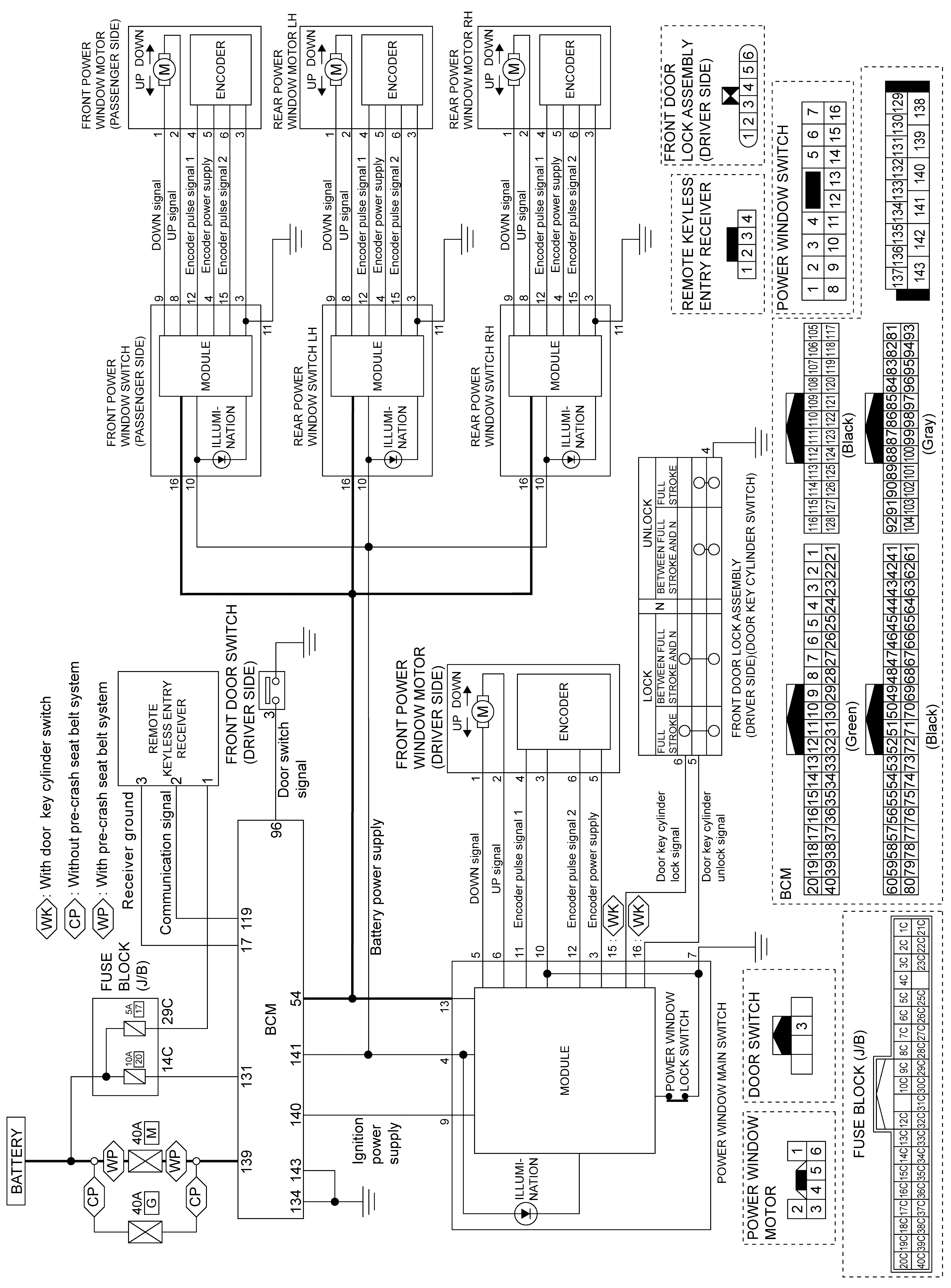
Circuit Diagram

WARNING: This page is about a different car, the 2020 Infiniti Q50. However, it is still accessible from the selected car via links, so may be relevant.
GNSILL0274018-018Courtesy of NISSAN NORTH AMERICA, INC.