LEMON Manuals: Even more car manuals for everyone: 1960-2025
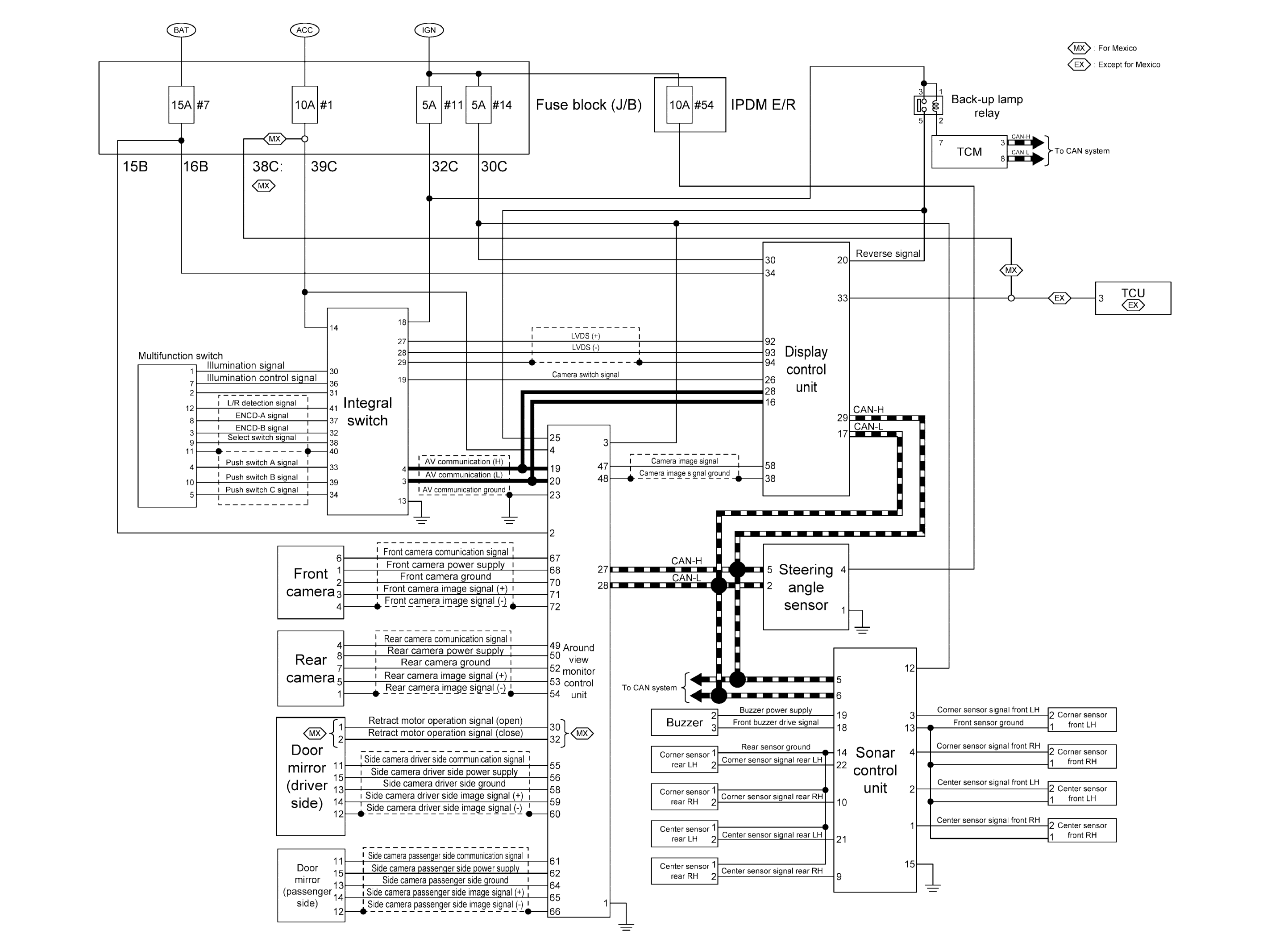
Home >> Infiniti >> 2017 >> Q60 Base, AWD >> Repair and Diagnosis (Single Page) >> Accessories & Equipment >> Infotainment >> Audio, Visual & Navigation System (Around View Monitor System) (Introduction, Wiring Diagrams And Basic Inspection) >> System Description >> Around View Monitor System >> Circuit Diagram >> VR30DDTT
April 5, 2026: LEMON Manuals is launched! Read the announcement.

Circuit Diagram: VR30DDTT

GNSJSNIB1622GB-622Courtesy of NISSAN NORTH AMERICA, INC.
GNSJSNIB1623GB-623Courtesy of NISSAN NORTH AMERICA, INC.