LEMON Manuals: Even more car manuals for everyone: 1960-2025
Home >> Infiniti >> 2018 >> Q60 Sport, AWD >> Repair and Diagnosis >> Engine Performance >> System >> Engine Control System (Introduction) (3.0L) >> System Description >> System >> Engine Control System >> Circuit Diagram (Turbo High Pressure Model)
April 5, 2026: LEMON Manuals is launched! Read the announcement.

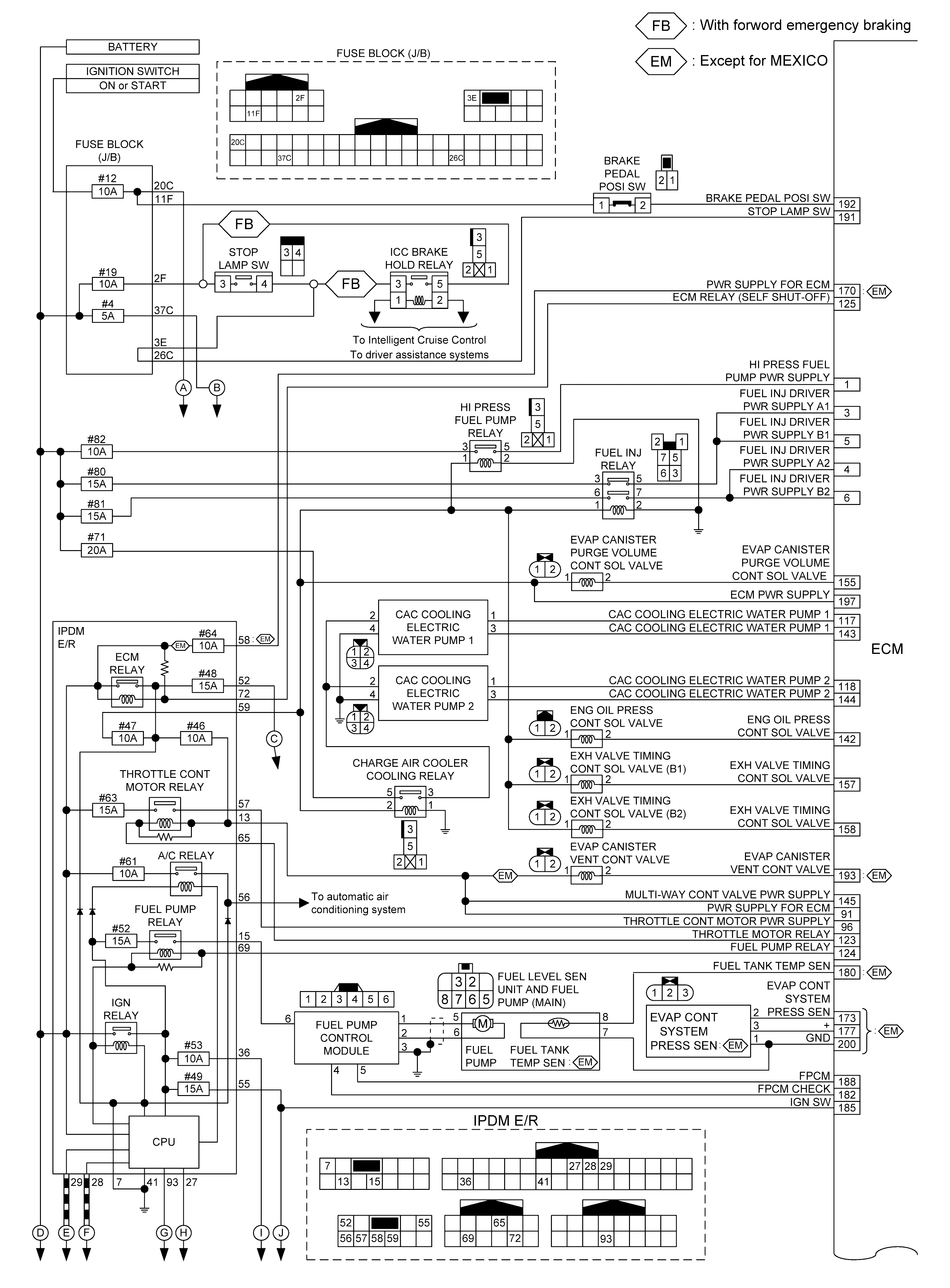
Circuit Diagram (Turbo High Pressure Model)

GNSILL0157605-605Courtesy of NISSAN NORTH AMERICA, INC.
GNSJSBIB0184GB-184Courtesy of NISSAN NORTH AMERICA, INC.
GNSJSBIB1396GB-396Courtesy of NISSAN NORTH AMERICA, INC.
GNSILL0129442-442Courtesy of NISSAN NORTH AMERICA, INC.