LEMON Manuals: Even more car manuals for everyone: 1960-2025
Home >> Isuzu >> 2000 >> Rodeo LS 2WD V6-3.2L >> Repair and Diagnosis >> Diagrams >> Exploded Views >> Cylinder Block Assembly >> System Diagram
April 5, 2026: LEMON Manuals is launched! Read the announcement.

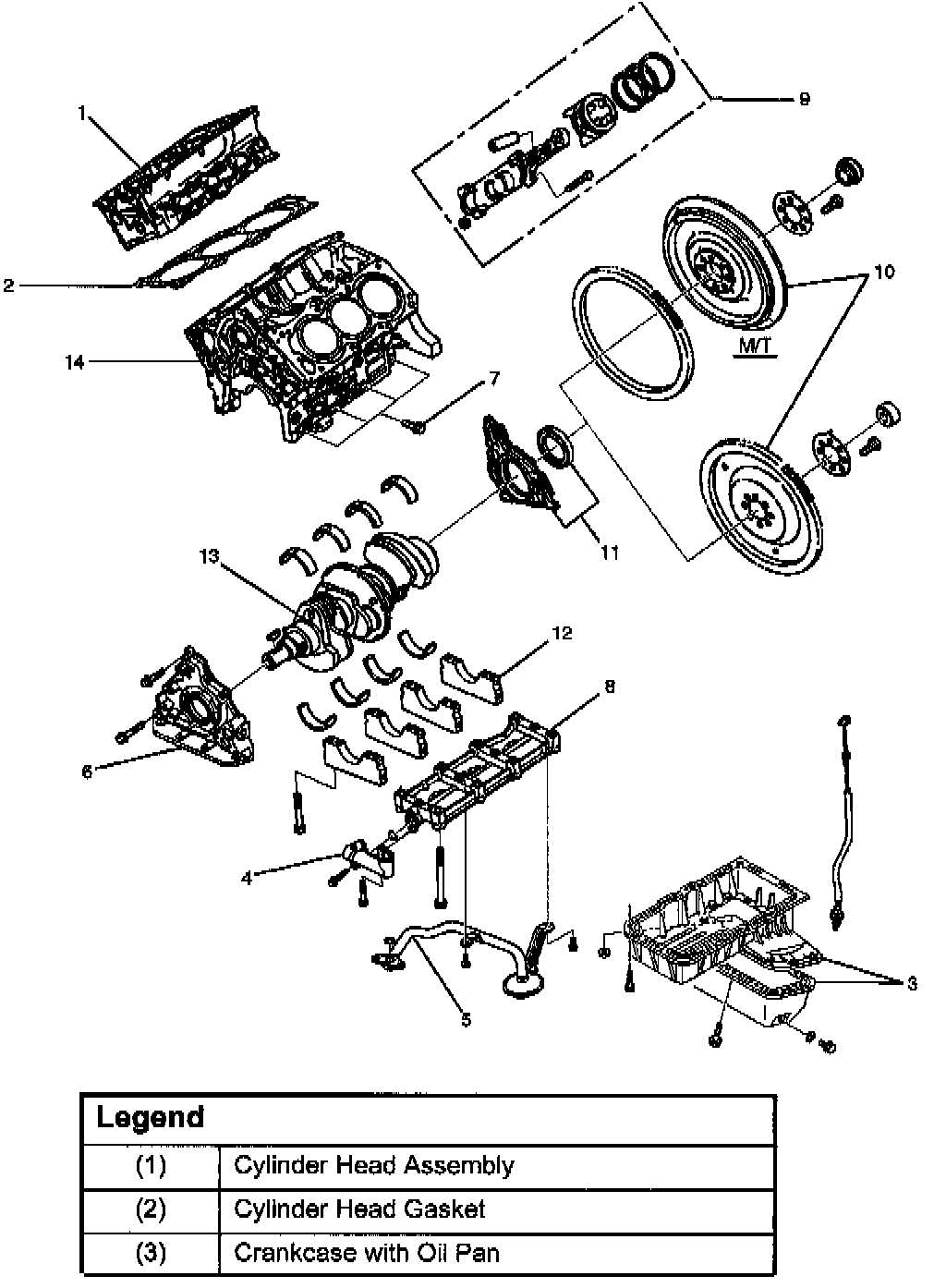
System Diagram









Cylinder Block and Associated Parts