LEMON Manuals: Even more car manuals for everyone: 1960-2025
Home >> Isuzu >> 2000 >> Rodeo LS 2WD V6-3.2L >> Repair and Diagnosis >> Heating and Air Conditioning >> Control Assembly >> Testing and Inspection
April 5, 2026: LEMON Manuals is launched! Read the announcement.

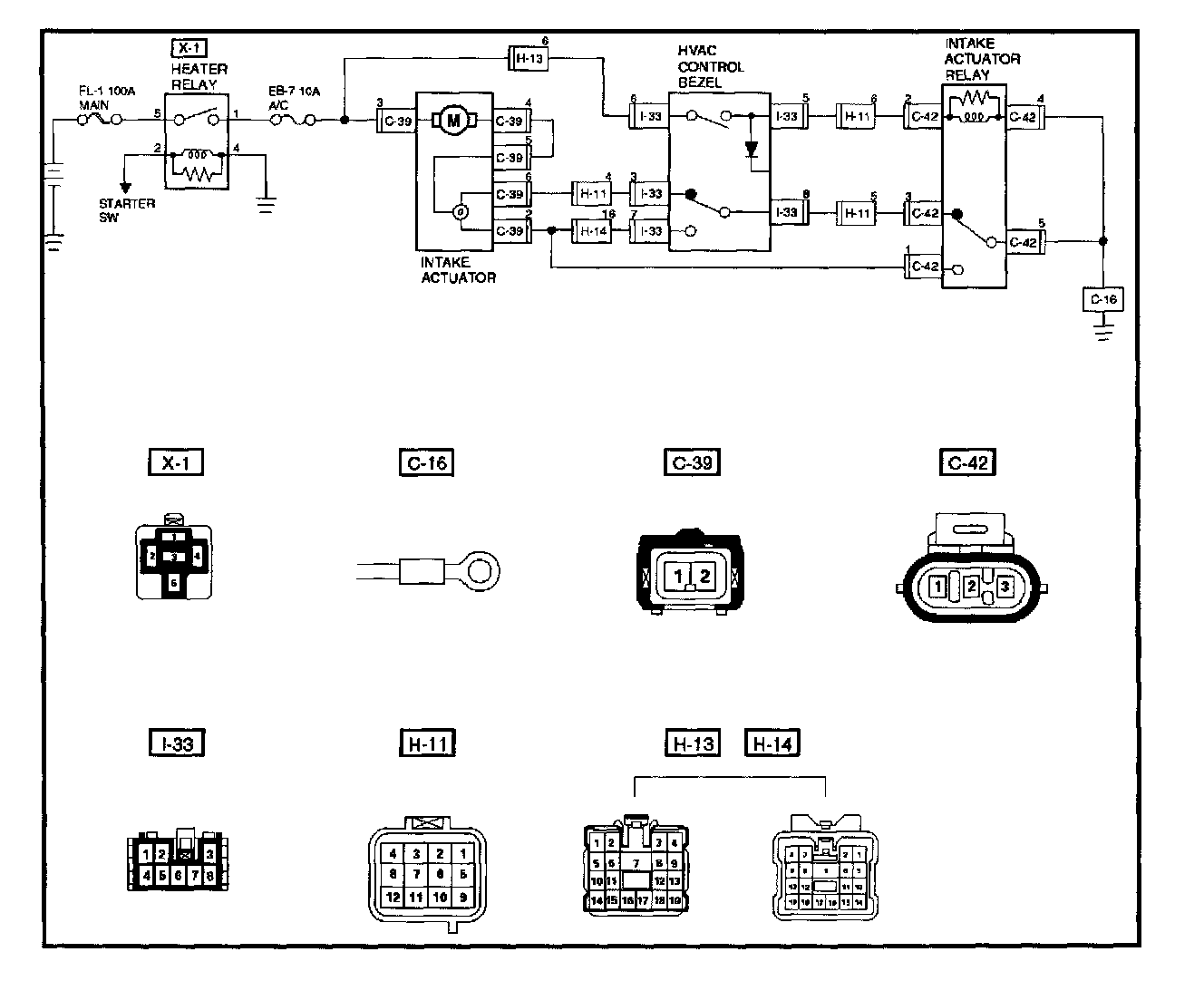
Control Assembly: Testing and Inspection









Air Source Select Lever Diagnosis


Steps 1 - 9:





Steps 10 - 13:





Chart A - FRESH Mode Inoperative


Steps 1 - 5:





Steps 6 - 9:





Chart B - RECIRC Mode Inoperative