LEMON Manuals: Even more car manuals for everyone: 1960-2025
Home >> Isuzu >> 2002 >> Axiom 2WD V6-3.5L >> Repair and Diagnosis >> Specifications >> Mechanical Specifications >> Heating and Air Conditioning >> System Specifications
April 5, 2026: LEMON Manuals is launched! Read the announcement.

System Specifications

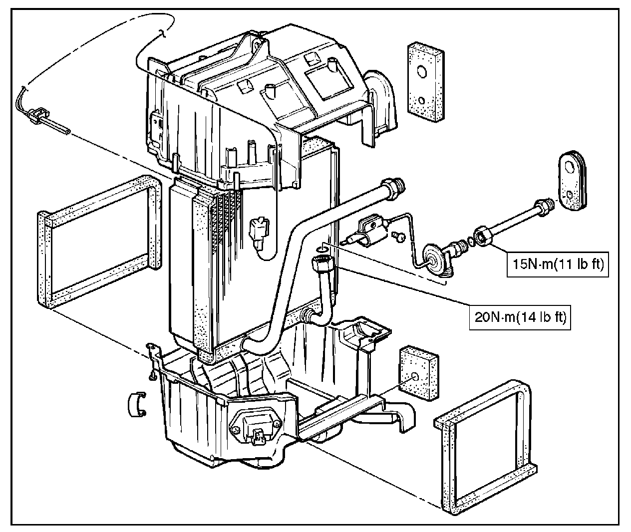
Torque Specifications Part 1:



Torque Specifications Part 2: