LEMON Manuals: Even more car manuals for everyone: 1960-2025
Home >> Isuzu >> 2002 >> Rodeo LS 2WD V6-3.2L >> Repair and Diagnosis >> Diagrams >> Electrical Diagrams >> General Module
April 5, 2026: LEMON Manuals is launched! Read the announcement.

General Module

Alarmer Unit:



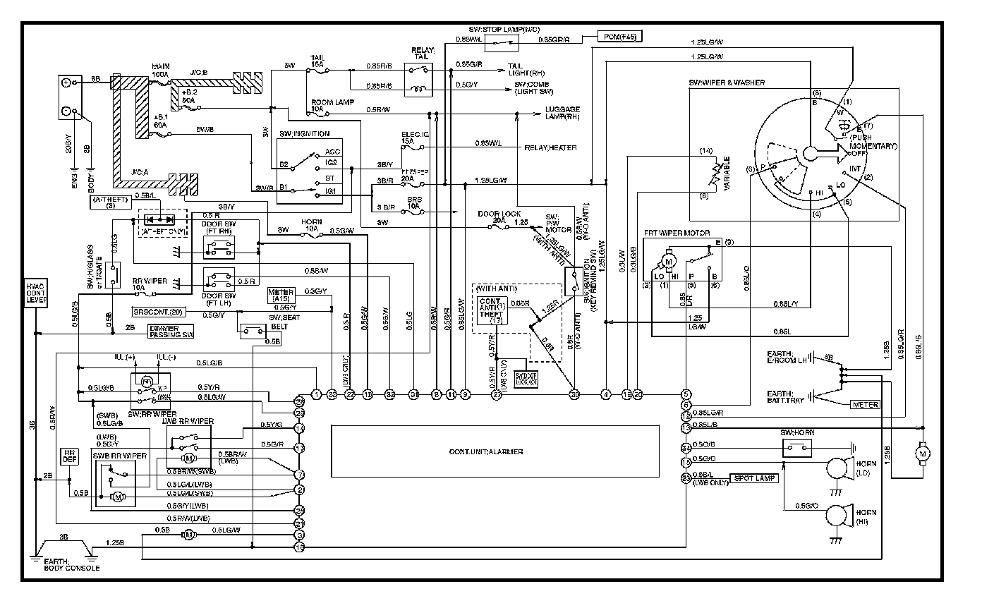
Alarm And Relay Controls Image 70:



Alarm And Relay Controls Image 70-1:



Alarm And Relay Controls Image 70-2: