LEMON Manuals: Even more car manuals for everyone: 1960-2025
Home >> Isuzu >> 2002 >> Rodeo LS 2WD V6-3.2L >> Repair and Diagnosis >> Powertrain Management >> Computers and Control Systems >> Relays and Modules - Computers and Control Systems >> Engine Control Module >> Diagrams >> Electrical Diagrams
April 5, 2026: LEMON Manuals is launched! Read the announcement.

Electrical Diagrams

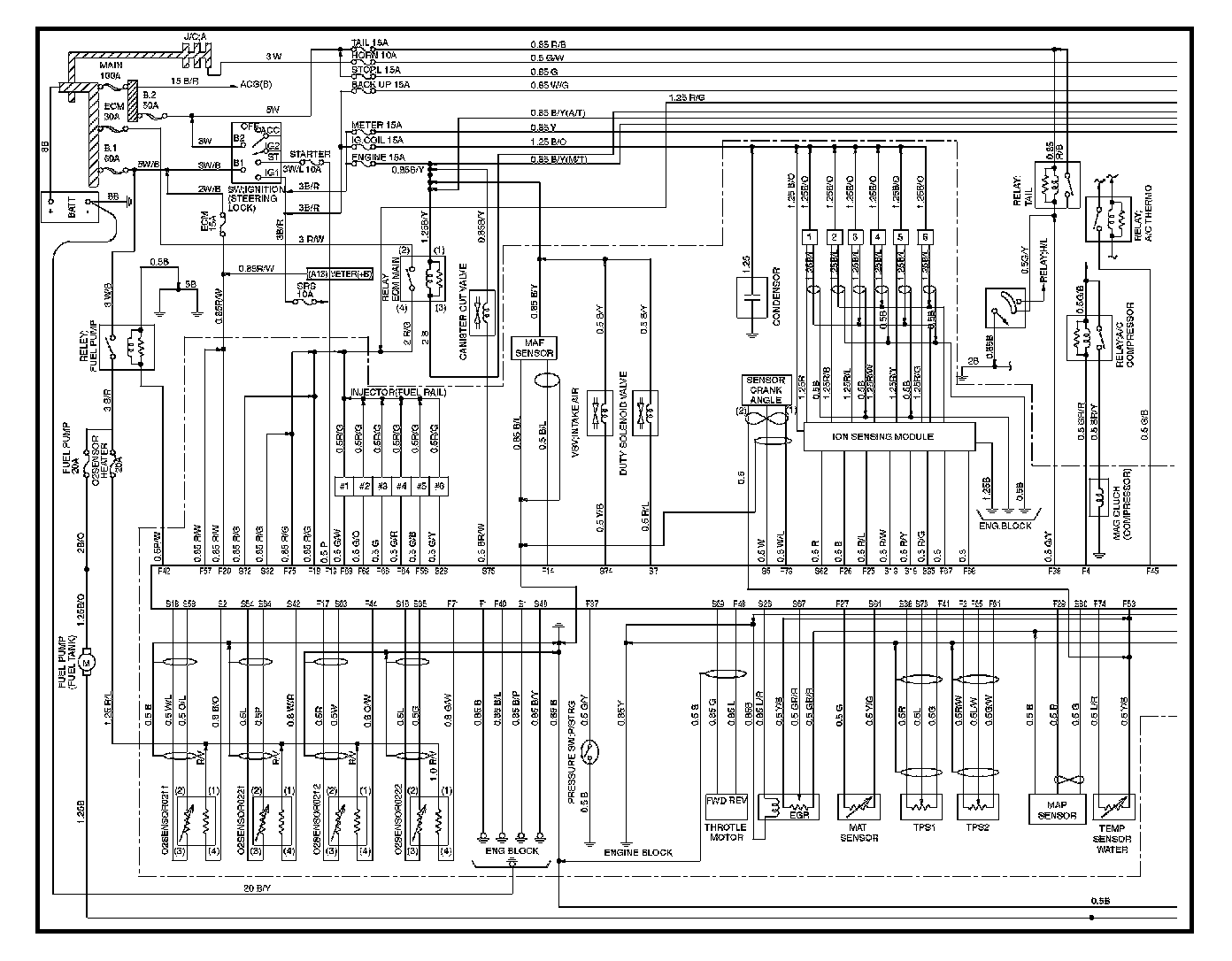
PCM - 1:



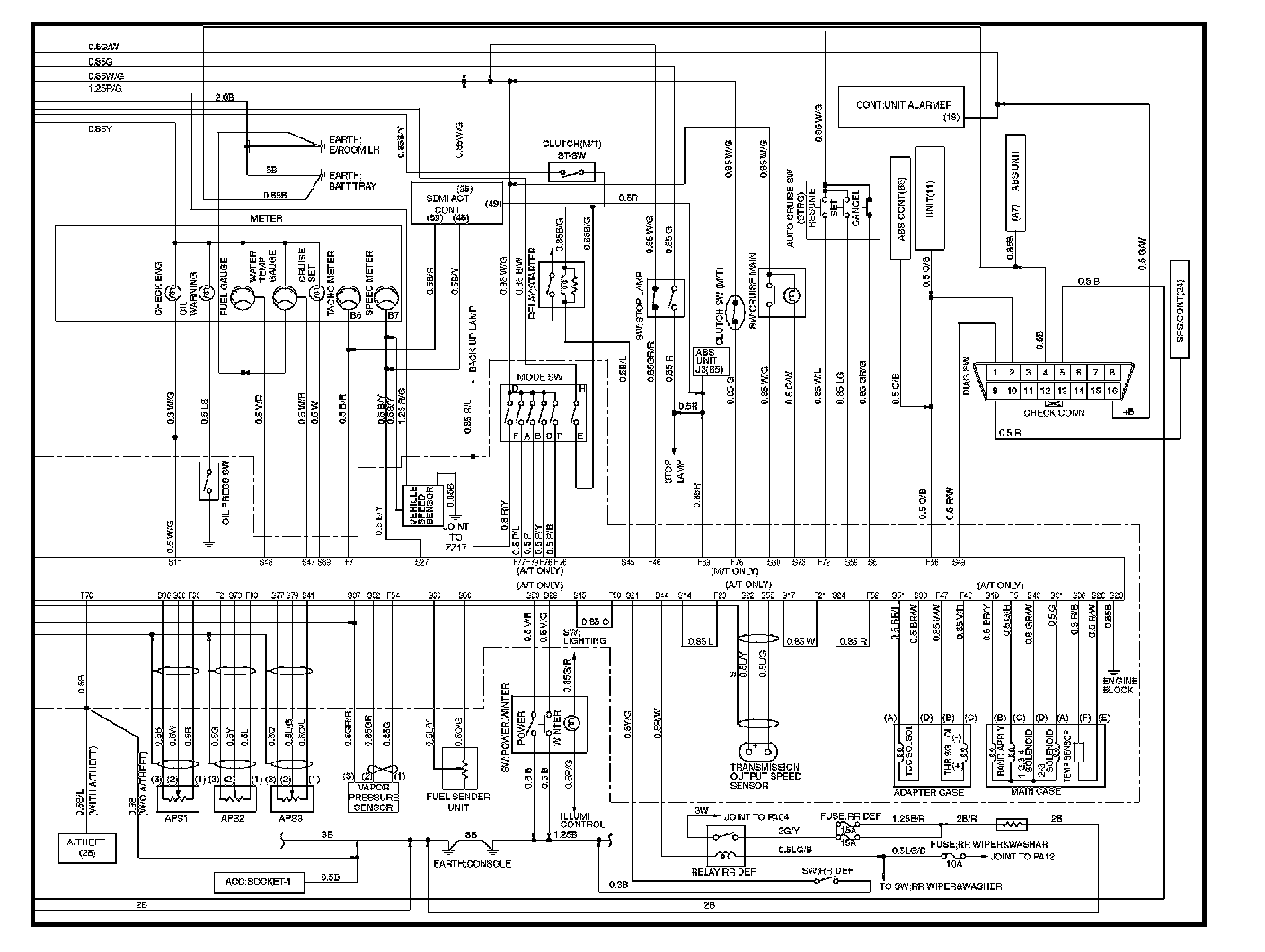
PCM - 2: