LEMON Manuals: Even more car manuals for everyone: 1960-2025
Home >> Isuzu >> 2002 >> Trooper LS 2WD V6-3.5L >> Repair and Diagnosis >> Powertrain Management >> Computers and Control Systems >> Relays and Modules - Computers and Control Systems >> Engine Control Module >> Diagrams >> Electrical Diagrams
April 5, 2026: LEMON Manuals is launched! Read the announcement.

Electrical Diagrams

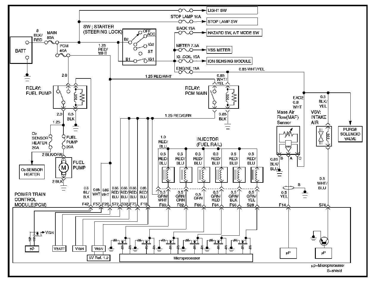
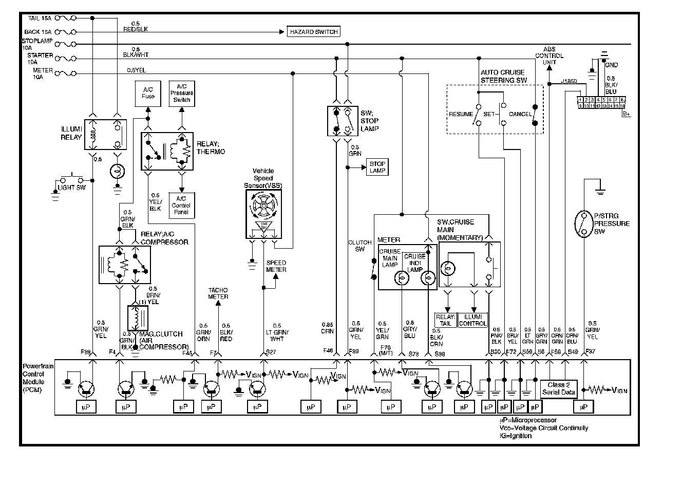
PCM Wiring Diagram (1 Of 8):



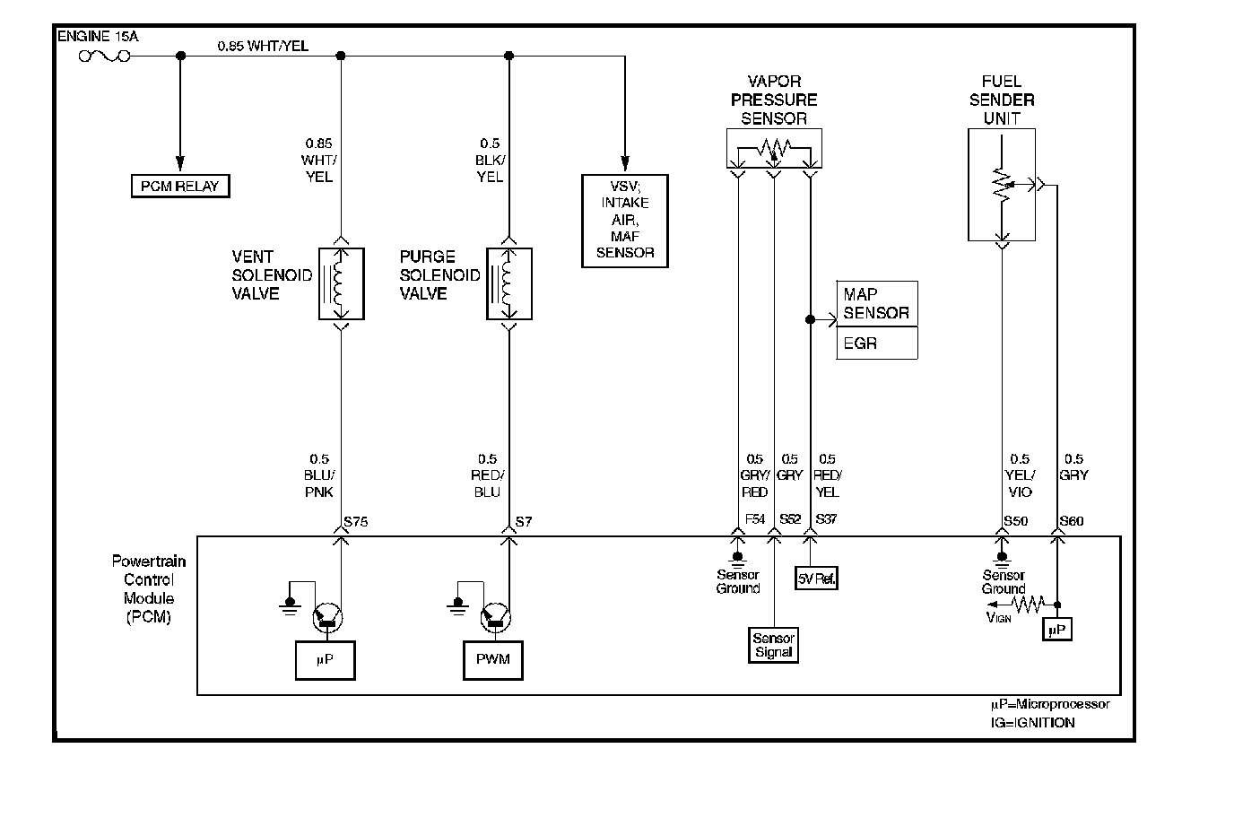
PCM Wiring Diagram (2 Of 8):



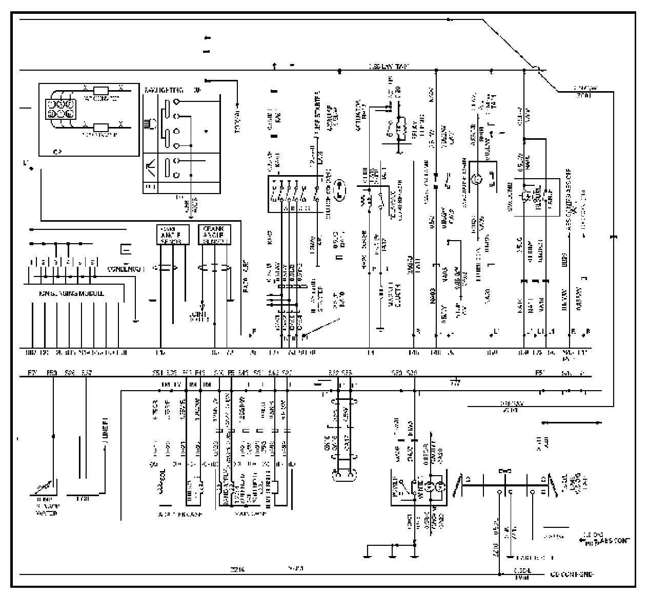
PCM Wiring Diagram (3 Of 8):



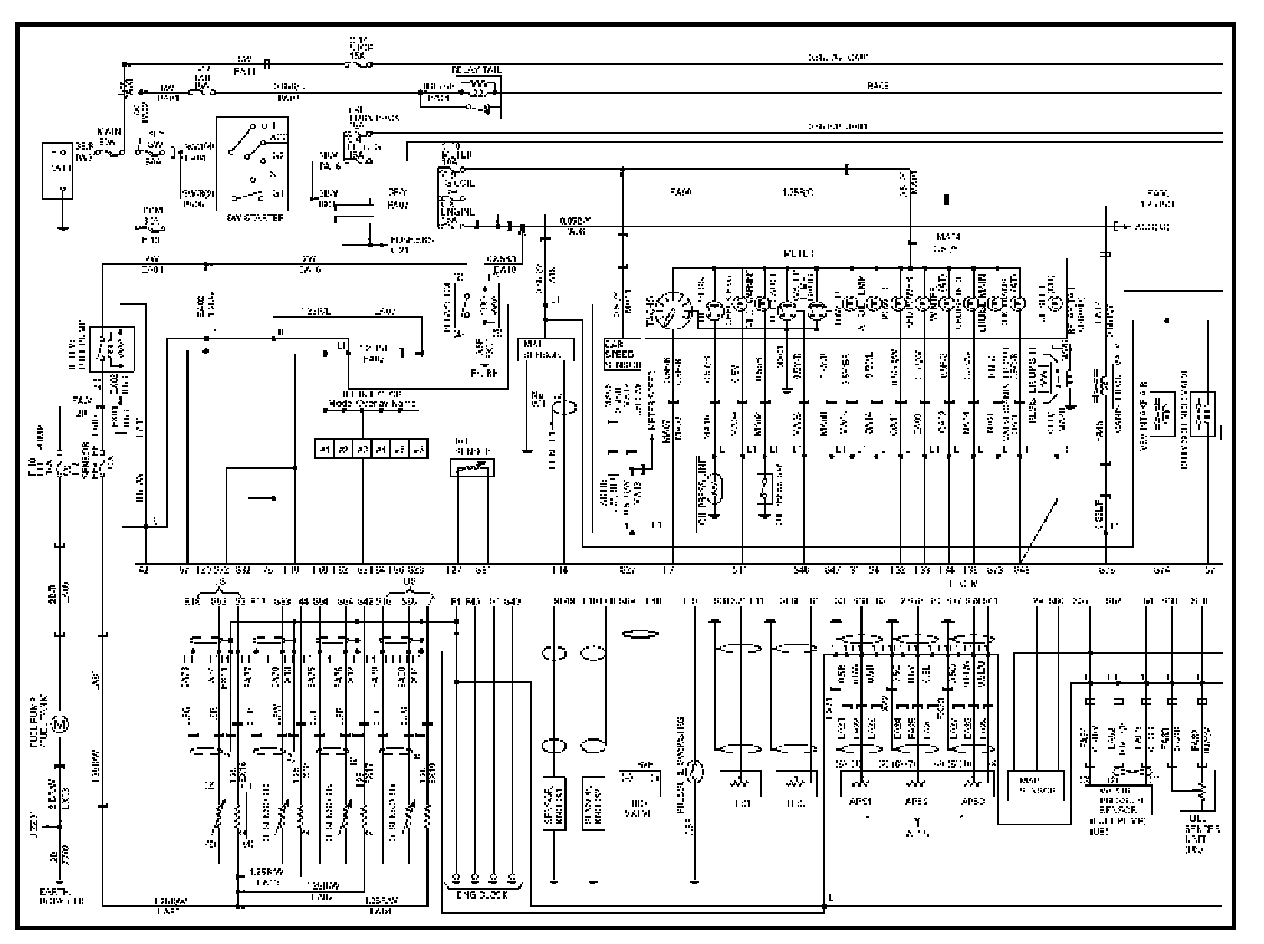
PCM Wiring Diagram (4 Of 8):



PCM Wiring Diagram (5 Of 8):



PCM Wiring Diagram (6 Of 8):



PCM Wiring Diagram (7 Of 8):



PCM Wiring Diagram (8 Of 8):



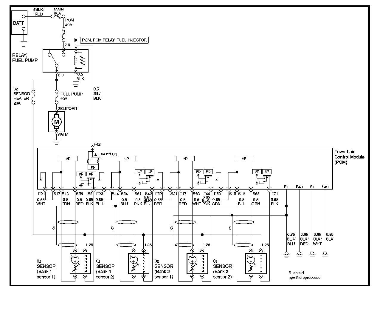
Wiring Diagram - PCM-1:



Wiring Diagram - PCM-2: