LEMON Manuals: Even more car manuals for everyone: 1960-2025
Home >> Isuzu >> 2003 >> Axiom Base, RWD >> Repair and Diagnosis (Single Page) >> Transmission >> Transfer Case >> Transfer Case >> Tod Control Unit >> Notes
April 5, 2026: LEMON Manuals is launched! Read the announcement.

Tod Control Unit: Notes

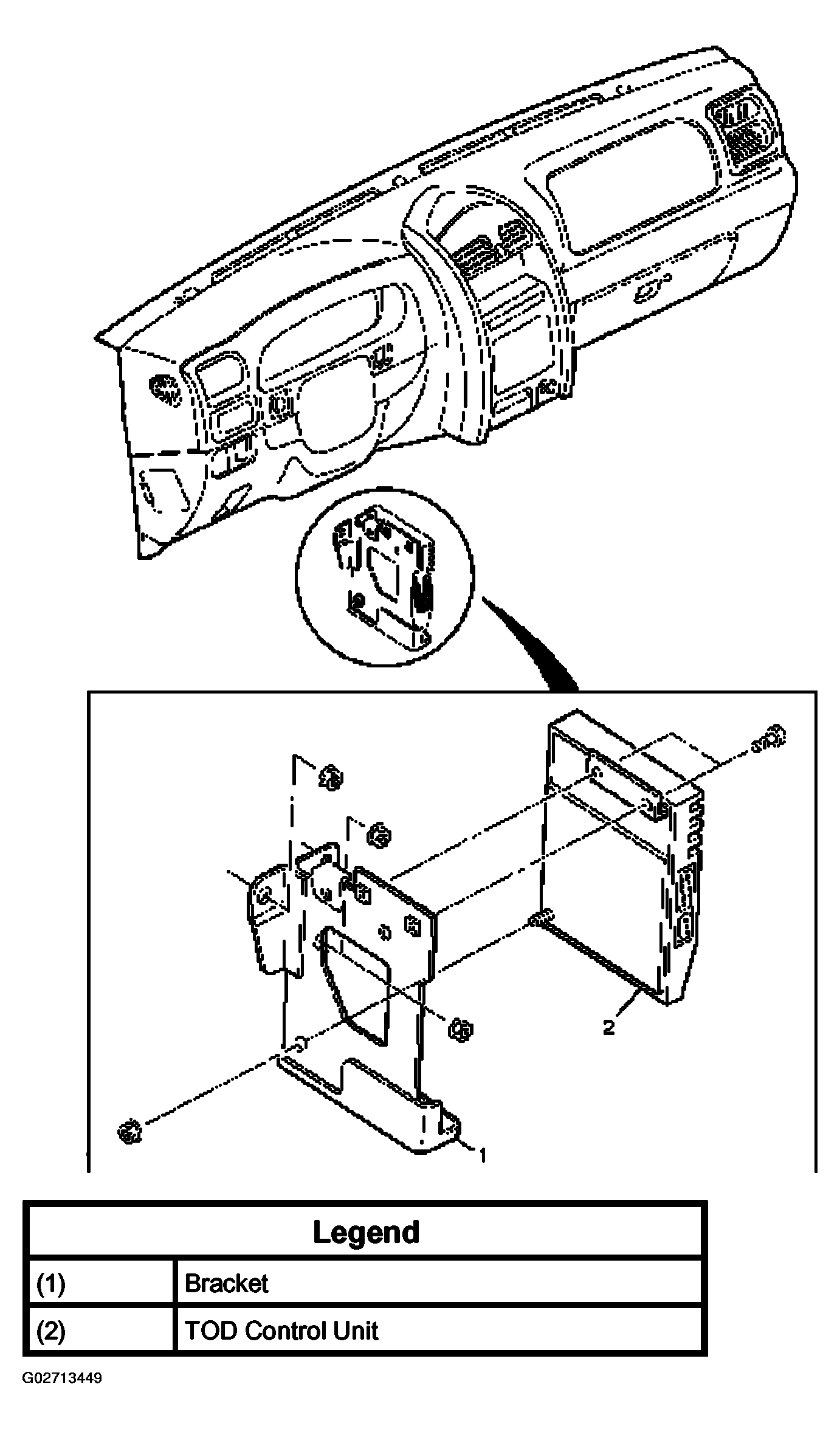
NOTE: Torque On Demand (TOD) control unit.
Fig 1: Identifying TOD Control Unit
G02713449Courtesy of ISUZU MOTOR CO.